GRF2  IEC Gerätestecker C14 mit Abschirmblech, "Lock and Shield"-Montage

Serie

GRF2

IEC Gerätestecker C14 mit Abschirmblech, "Lock and Shield"-Montage

Kostenlose Musteranfrage

6 Varianten


Gerätestecker (Stecker/Dosen)

C14
Stecker Logo
70° C

Beschreibung

  • Einbau in Platten: Schnappbefestigung Rückseite
  • 2 Funktionen: Gerätestecker Schutzklasse I, mit EMV-Abschirmung

Merkmale

  • Zeitsparende «Lock and Shield»-Montage von der Gehäuseinnenseite
  • Die einzelnen Modul-Komponenten sind bereits verdrahtet
  • Innovative EMV-Abschirmung mit flexiblen Lamellen sorgen für eine optimale Kontaktierung mit der Gehäusewand
  • Für Anwendungen nach IEC/UL 62368-1 empfehlen wir Filtervarianten mit Ableitwiderstand

Weitere Ausführungen auf Anfrage

  • Mit Lötanschlüssen

Nenndaten IEC

Nenndaten IEC


Die elektrischen Nenndaten beschreiben die zugelassenen Betriebswerte für den Betriebszustand für Nennstrom und Nennspannung unter genannten Umgebungsbedingungen.
Allgemeine Angaben zu elektrischen Kennwerten von Sicherungen
Nenndaten IEC, UL/CSA Allgemeine Angaben zum Nennstom und zur Nennspannung bei EMV-Produkten
Nennspannung Nennstrom Die Werte sind unterschiedlich je nach Zulassungsstelle und sind daher in den entsprechend Zulassungsausweisen für die jeweiligen Produktfamilien entsprechend referenziert. Angaben dazu werden in den Datenblättern aufgeführt.
Suche nach Approbationsangaben für unterschiedlichen Familien
Zulassungen

10 A @ Tu 40 °C / 250 VAC; 50 Hz

Nenndaten UL/CSA

Nenndaten UL


Die elektrischen Nenndaten beschreiben die zugelassenen Betriebswerte für den Betriebszustand für Nennstrom und Nennspannung unter genannten Umgebungsbedingungen.
Allgemeine Angaben zu elektrischen Kennwerten von Sicherungen
Nenndaten IEC, UL/CSA Allgemeine Angaben zum Nennstom und zur Nennspannung bei EMV-Produkten
Nennspannung Nennstrom Die Werte sind unterschiedlich je nach Zulassungsstelle und sind daher in den entsprechend Zulassungsausweisen für die jeweiligen Produktfamilien entsprechend referenziert. Angaben dazu werden in den Datenblättern aufgeführt.
Suche nach Approbationsangaben für unterschiedlichen Familien
Zulassungen

15 A @ Tu 40 °C / 250 VAC; 60 Hz

Spannungsfestigkeit

Spannungsfestigkeit


Angabe zur höchstens zulässigen Spannung, damit es nicht aufgrund einer Isolationsschädigung zu einem Spannungsdurchschlag kommt.
Spannungsfestigkeit

> 1.7 kVDC zwischen L-N
> 2.7 kVDC zwischen L/N-PE
Prüfspannung (2 sec)

Zulässige Betriebstemperatur

-25 °C bis 85 °C

Klimakategorie

Klimakategorie


Einteilung von Komponenten in Kategorien zur Beurteilung von mechanischen und elektrischen Eigenschaften.
Klimakategorie

25/085/21 gemäss IEC 60068-1

IP-Schutzgrad

IP-Schutzgrad


Der IP Code besteht aus einer zweistelligen Ziffernkombination, die den jeweiligen Schutzgrad angibt.
Dabei spezifiziert die erste Ziffer die Schutzklasse für Berührungs- und Fremdkörperschutz, die zweite Ziffer den Wasser- und Feuchtigkeitsschutz. Details zum IP-Schutzgrad entnehmen Sie bitte aus den Allgemeinen Produktinformationen
IP-Schutzgrad

Frontseite IP40 gemäss IEC 60529

Schutzklasse

Schutzklasse


Schutzklasse I: Mit Erdverbindung; Schutzklasse II: ohne Erdverbindung

Detaillierte Information zum Thema Schutzklasse finden Sie auch in den Allgemeinen Produktinformationen
Berührungsschutz

Geeignet für Geräte der Schutzklasse I gemäss IEC 61140

Klemme

Anschlüsse


Anschlüsse gemäss neuem IEC Standard.
Detailliertere Variantenangaben sind im Datenblatt oder in Allgmeinen Technischen Informationen ersichtlich.
Klemme

Steckanschlüsse 4.8 x 0.8 mm Steckverbinder
Lötanschluss auf Anfrage

Plattendicke S

Plattendicke S


Details siehe Zeichnung
Schnapper

Schnapp: 1.2/1.5/2 mm

Material

Thermoplast, schwarz, UL 94V-0

Gerätestecker/-Dose

Gerätestecker/-Dose


Typ-Bezeichnung der Gerätestecker bzw. -anschlussdose nach IEC 60320-1, resp. IEC60320-2-2, UL498, CSA C22.2 no.42
Details zu Steckverbindungen und deren Bezeichnungen finden Sie in den Allgemeinen Produktinformationen
Gerätesteckvorrichtungen Mating Connectors Begriffserklärung Sondersteckvorrichtung

C14 gemäss IEC 60320-1,
UL 60320-1, CSA C22.2 no. 60320-1 (Für kalte Bedingungen) Stifttemperatur 70 °C, 10 A, Schutzklasse I

MTBF

MTBF


Der Begriff MTBF steht für die englischen Abkürzung Mean Time Between Failure und beschreibt damit die mittlere Betriebsdauer zwischen Fehlern bzw. die Zuverlässigkeit eines Bauteils. Ausgehend vom genannten Wert kann die Betriebsdauer einer Baugruppe bestimmt werden. Je höher dieser Wert ist, desto zuverlässiger ist die Komponente.
MTBF

> 3'300'000 h gemäss MIL-HB-217 F

Detaillierte Informationen zu Zulassungen, Normanforderungen, Verwendungshinweisen und Prüfdetails finden Sie in  Details über Zulassungen
SCHURTER Produkte sind grundsätzlich für den Einsatz im industriellen Umfeld ausgelegt. Sie verfügen über Zulassungen unabhängiger Prüfstellen gemäss nationaler und internationaler Normen.
Produkte mit spezifischen Eigenschaften und Anforderungen wie sie etwa im Bereich Automotive nach IATF 16949, der Medizintechnik gemäss ISO 13485 oder in der Luft- und Raumfahrt gefordert werden, können ausschliesslich mit kundenspezifischen, individuellen Vereinbarungen durch SCHURTER angeboten werden.


Zulassungen

Durch das Zulassungszeichen bescheinigen die Prüftstellen die Einhaltung der sicherheitstechnischen Anforderungen, die an elektronische Produkte gestellt werden.


Zulassung Referenztyp: GRF2

Zulassungslogo Zertifikat Zulassungsstelle Beschreibung
Prüfzeichen VDE VDE VDE Ausweisnummer: 40025743
Prüfzeichen cURus UL UR Ausweisnummer: E96454
Prüfzeichen ccc CCC CCC Ausweisnummer: 2019180204010440


Produktnormen

Produktnormen, welche referenziert werden

Organisation Design Norm Beschreibung
Prüfzeichen IEC_Certification_Body Ausgelegt gemäss IEC 60320-1 Gerätekupplungen für Haushalt und ähnliche allgemeine Zwecke
Prüfzeichen IEC_Certification_Body Ausgelegt gemäss IEC 60939 Passive Filter für die Unterdrückung von elektromagnetischen Störungen
Prüfzeichen IEC_Certification_Body Ausgelegt gemäss IEC 61058-1 Geräteschalter - Teil 1: Allgemeine Anforderungen
Prüfzeichen UL Ausgelegt gemäss UL 60320-1 Norm für Befestigungsstecker und Steckdosen
Prüfzeichen UL Ausgelegt gemäss UL 1283 Passive Filter für die Unterdrückung von elektromagnetischen Störungen
Prüfzeichen CSA_Certification_Body Ausgelegt gemäss CSA C22.2 no. 60320-1 Allgemeine Anwendung, Befestigungsstecker und ähnliche Verdrahtungsanschlüsse
Prüfzeichen CSA_Certification_Body Ausgelegt gemäss CSA C22.2 no. 8 Filter gegen elektromagnetische Störungen (EMI)


Anwendungsnormen

Anwendungsnormen, in welchen die Produkte entsprechend verwendet werden können

Organisation Design Norm Beschreibung
Prüfzeichen IEC_Certification_Body Geeignet für Anwendungen gemäss IEC/UL 62368-1 Einrichtungen für Audio/Video-, Informations- und Kommunikationstechnik - Teil 1: Sicherheitsanforderungen


Konformitäten

Das Produkt ist konform mit folgenden Richtlinien

Identifikation Details Aussteller Beschreibung
Prüfzeichen CE SCHURTER AG Die CE-Kennzeichnung erklärt, dass das Produkt gemäss der EU-Vordnung 765/2008 den geltenden Anforderungen genügt, die in den Harmonisierungsrechtsvorschriften der Gemeinschaft über ihre Anbringung festgelegt sind.
Prüfzeichen Zulassung_Symbol_UKCA SCHURTER AG Die UKCA-Kennzeichnung erklärt, dass das Produkt gemäss dem Britischen Amendment zur Verordnung (EC) 765/2008 den geltenden Anforderungen genügt.
Umwelt_Sicherheit RoHS_Logo_color_CMYK_tif SCHURTER AG Richtlinie RoHS 2011/65/EU, Ergänzung (EU) 2015/863
Umwelt_Sicherheit China_RoHS_e_konform_eps SCHURTER AG Das Gesetz SJ/T 11363-2006 (China RoHS) ist seit dem 1. März 2007 in Kraft. Ähnlich wie bei der EU-Richtlinie RoHS.
Umwelt_Sicherheit REACH SCHURTER AG Am 1. Juni 2007 trat die Verordnung (EG) Nr. 1907/2006 zur Registrierung, Bewertung, Zulassung und Beschränkung chemischer Stoffe 1 (kurz: "REACH") in Kraft.

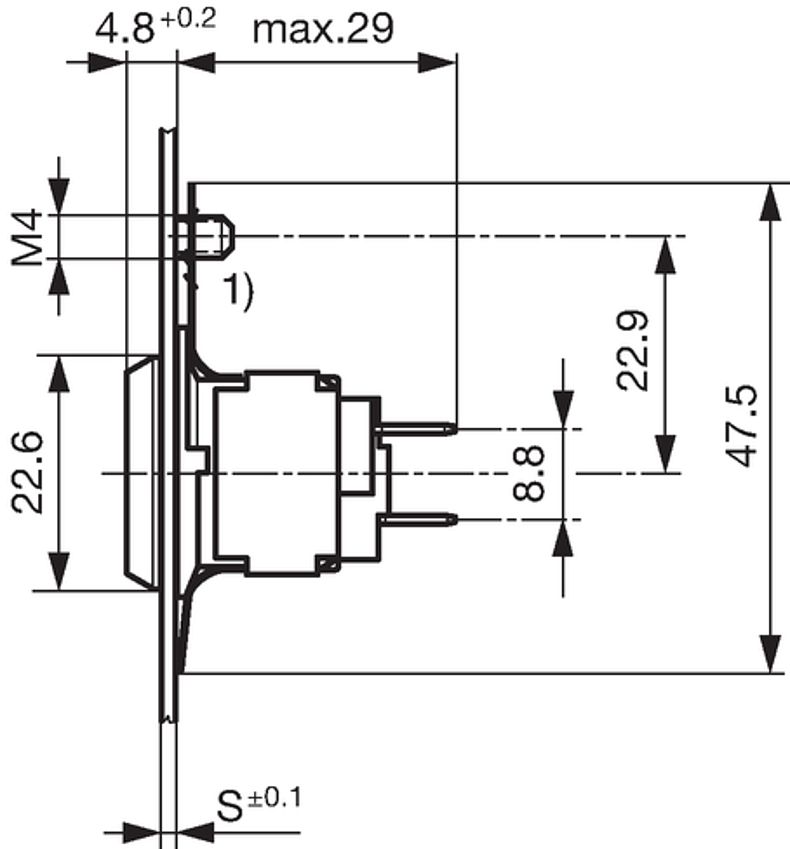
Dimension [mm]

GRF2

1) Anschluss für Erdschraube M4
1) Anschluss für Erdschraube M4
Dieser Bereich muss leitfähig sein, um eine optimale Schirmung zu erzielen. Vermeiden Sie Lackierungen und Beschichtungen.

Montageanleitungen

Schritt 1

Sockel im oberen Rand des Montageausschnitts einsetzen.
Schritt 2

Sockel nach oben drücken.
Schritt 3

Sockel mit Druck nach unten einschwenken.
Schritt 4

Sockel loslassen. Das Bauteil rastet von selbst ein.

Kurze Variantentabelle GRF2 Öffne vollständige Tabelle GRF2

Nennstrom IEC [A] Nennstrom UL [A] Filter-Typ Bestell-Nummer
Symbole, PCB-Layout, 3D-Modelle Kostenloses Muster

Kostenloses Muster


Gerne stellen wir Muster für Anwendungsprüfung unkompliziert zur Verfügung.
Senden Sie uns dazu Ihre Lieferadresse mit der spezifischen Anfrage zu.

Bestandsabfrage Distributor

Bestandsabfrage Distributor


Der nachfolgende Link verweist auf die Abfrage zum aktuellen Lagebestand bei den verschiedenen Distributoren für die referenzierte Bestellnummer. Damit können Sie die verfügbare Menge prüfen und gegebenfalls gleich eine Bestellung tätigen.
Die Lagerverfügbarkeit bei den Distributoren können Sie auch separat aufrufen und das gewünschte Produkt manuell eingeben.
Lagerbestand Distributor

...
  [A]              
 
10 15 - GRF2.0212.11 ...
10 15 - GRF2.0215.11 ...
10 15 - GRF2.0220.11 ...
10 15 - GRF2.0312.11 ...
10 15 - GRF2.0315.11 ...
10 15 - GRF2.0320.11 ...

Verpackungseinheit 100 ST 

020060160000001161
LOADING...
Passende Stecker/Dosen (8)

[Swipe to the left and right for more options]

4787

4787, Montage: Schraubbefestigung, Geräteeinbausteckdose: IEC Lötanschlüsse, 10 A, Geeignet für Geräte der Schutzklasse I

4788

4788, Montage: Schnappbefestigung, Geräteeinbausteckdose: IEC Löt / Steck, 10 A, Geeignet für Geräte der Schutzklasse I

5091

IEC Geräteeinbausteckdose F oder H, Schraubmontage, frontseitig, Löt-, PCB- oder Steckanschluss

4782

4782 Montage: Anschlussleitung, 3 x 1 mm² / 3 x 18 AWG, Kabel, Gerätesteckdose: IEC C13

4785

4785 Montage: Anschlussleitung, 3 x 1 mm² / 3 x 18 AWG, Kabel, Gerätesteckdose: IEC C13

4300-06

4300-06 Montage: Anschlussleitung, 3 x 1 mm² / 3 x 18 AWG, Kabel, Gerätesteckdose: IEC C13

4781

4781 Montage: Anschlussleitung, Kabel, Gerätesteckdose: IEC C15

4784

4784 Montage: Anschlussleitung, 3 x 1 mm² / 3 x 18 AWG, Kabel, Gerätesteckdose: IEC C15


02.09.2025
   
de prod Durch die Änderung der Katalogversion (Desktop<> Mobile), werden die gewählten Filter im Katalog zurückgesetzt