4740  mit EU Anschlussleitung
mit EU Anschlussleitung
4740  mit Gerätestecker
mit Gerätestecker
4740  mit IEC Anschlussleitung
mit IEC Anschlussleitung
4740  Verteilleiste mit IEC Gerätestecker C14 schwarz
Verteilleiste mit IEC Gerätestecker C14
schwarz
4740  mit GB Anschlussleitung
mit GB Anschlussleitung
4740  mit EU Anschlussleitung
mit EU Anschlussleitung
4740  Verteilleiste mit IEC Gerätestecker C14 schwarz
Verteilleiste mit IEC Gerätestecker C14
schwarz
4740  mit IEC Anschlussleitung
mit IEC Anschlussleitung
4740  mit Gerätestecker
mit Gerätestecker
4740  mit GB Anschlussleitung
mit GB Anschlussleitung
4740  mit EU Anschlussleitung
4740  mit Gerätestecker
4740  mit IEC Anschlussleitung
4740  Verteilleiste mit IEC Gerätestecker C14 schwarz
4740  mit GB Anschlussleitung
4740  mit EU Anschlussleitung
4740  Verteilleiste mit IEC Gerätestecker C14 schwarz
4740  mit IEC Anschlussleitung
4740  mit Gerätestecker
4740  mit GB Anschlussleitung

Serie

4740

Verteilleiste mit IEC Gerätestecker C14 oder Netzkabel und 4, 5 oder 6 Geräteeinbausteckdosen F, sowie Zusatzelemente

Kostenlose Musteranfrage

12 Varianten


Gerätestecker (Stecker/Dosen)

F
Stecker Logo
70° C
C14
Stecker Logo
70° C

Beschreibung

  • Freistehendes Modul
  • 2 - 5 Funktionen: Gerätestecker Schutzklasse I, Gerätesteckdose verriegelt
  • Netzschalter
  • Gerätesicherungshalter mit Sicherung und Anzeigelampe
  • Version mit Netzfilter 6A

Nenndaten IEC

Nenndaten IEC


Die elektrischen Nenndaten beschreiben die zugelassenen Betriebswerte für den Betriebszustand für Nennstrom und Nennspannung unter genannten Umgebungsbedingungen.
Allgemeine Angaben zu elektrischen Kennwerten von Sicherungen
Nenndaten IEC, UL/CSA Allgemeine Angaben zum Nennstom und zur Nennspannung bei EMV-Produkten
Nennspannung Nennstrom Die Werte sind unterschiedlich je nach Zulassungsstelle und sind daher in den entsprechend Zulassungsausweisen für die jeweiligen Produktfamilien entsprechend referenziert. Angaben dazu werden in den Datenblättern aufgeführt.
Suche nach Approbationsangaben für unterschiedlichen Familien
Zulassungen

10 A / 250 VAC; 50 Hz

Nenndaten UL/CSA

Nenndaten UL


Die elektrischen Nenndaten beschreiben die zugelassenen Betriebswerte für den Betriebszustand für Nennstrom und Nennspannung unter genannten Umgebungsbedingungen.
Allgemeine Angaben zu elektrischen Kennwerten von Sicherungen
Nenndaten IEC, UL/CSA Allgemeine Angaben zum Nennstom und zur Nennspannung bei EMV-Produkten
Nennspannung Nennstrom Die Werte sind unterschiedlich je nach Zulassungsstelle und sind daher in den entsprechend Zulassungsausweisen für die jeweiligen Produktfamilien entsprechend referenziert. Angaben dazu werden in den Datenblättern aufgeführt.
Suche nach Approbationsangaben für unterschiedlichen Familien
Zulassungen

15 A / 250 VAC; 60 Hz

Spannungsfestigkeit

Spannungsfestigkeit


Angabe zur höchstens zulässigen Spannung, damit es nicht aufgrund einer Isolationsschädigung zu einem Spannungsdurchschlag kommt.
Spannungsfestigkeit

> 2.5 kVAC zwischen L-N
> 2.5 kVAC zwischen L/N-PE
(1 min/50 Hz)

Zulässige Betriebstemperatur

-25 °C bis 70 °C

Berührungsschutz

IP-Schutzgrad


Der IP Code besteht aus einer zweistelligen Ziffernkombination, die den jeweiligen Schutzgrad angibt.
Dabei spezifiziert die erste Ziffer die Schutzklasse für Berührungs- und Fremdkörperschutz, die zweite Ziffer den Wasser- und Feuchtigkeitsschutz. Details zum IP-Schutzgrad entnehmen Sie bitte aus den Allgemeinen Produktinformationen
IP-Schutzgrad

Geeignet für Geräte der Schutzklasse I gemäss IEC 61140

Material: Gehäuse

Thermoplast, schwarz, UL 94V-0

Gerätestecker/-Dose

Gerätestecker/-Dose


Typ-Bezeichnung der Gerätestecker bzw. -anschlussdose nach IEC 60320-1, resp. IEC60320-2-2, UL498, CSA C22.2 no.42
Details zu Steckverbindungen und deren Bezeichnungen finden Sie in den Allgemeinen Produktinformationen
Gerätesteckvorrichtungen Mating Connectors Begriffserklärung Sondersteckvorrichtung

C14 gemäss IEC 60320-3,
/ F gemäss IEC 60320-3
UL 60320-1 CSA C22.2 no. 60320-1 (Für kalte Bedingungen) Stifttemperatur 70 °C, 10 A, Schutzklasse I

Sicherungshalter

Sicherungshalter



1.) Sicherungshalter beinhaltet nicht Geräteschutzschalter
2.) Details zu Sicherungseinsätzen finden Sie im Katalog unter
SicherungenAllgemeine Informationen zu Approbationen finden Sie in den technischen Erläuterungen.
Sicherungsschublade

1-polig, gemäss IEC 60127-6,
für Gerätesicherungseinsätze 5 x 20 mm

Leistungsaufnahme @ Tu > 23°C

Zulässige Leistungsaufnahme bei höheren Umgebungstemp. siehe Derating-Kurven

Netzschalter

Netzschalter


Enthält auch Geräteschutzschalter und Schalter für Bowdenzüge.

Details zu den Schaltern finden Sie auch in den allgemeinen Produktinformationen.
Netzschalter

Wippenschalter, beleuchtet, gemäss
Technische Details

Detaillierte Informationen zu Zulassungen, Normanforderungen, Verwendungshinweisen und Prüfdetails finden Sie in  Details über Zulassungen
SCHURTER Produkte sind grundsätzlich für den Einsatz im industriellen Umfeld ausgelegt. Sie verfügen über Zulassungen unabhängiger Prüfstellen gemäss nationaler und internationaler Normen.
Produkte mit spezifischen Eigenschaften und Anforderungen wie sie etwa im Bereich Automotive nach IATF 16949, der Medizintechnik gemäss ISO 13485 oder in der Luft- und Raumfahrt gefordert werden, können ausschliesslich mit kundenspezifischen, individuellen Vereinbarungen durch SCHURTER angeboten werden.


Produktnormen

Produktnormen, welche referenziert werden

Organisation Design Norm Beschreibung
Prüfzeichen IEC_Certification_Body Ausgelegt gemäss IEC 60320-3 Gerätekupplungen für Haushalt und ähnliche allgemeine Zwecke
Prüfzeichen IEC_Certification_Body Ausgelegt gemäss IEC 60320-3 Gerätekupplungen für Haushalt und ähnliche allgemeine Zwecke
Prüfzeichen IEC_Certification_Body Ausgelegt gemäss IEC 60127-6 Geräteschutzsicherungen - Teil 6: G-Sicherungshalter für G-Sicherungseinsätze
Prüfzeichen UL Ausgelegt gemäss UL 60320-1 Norm für Befestigungsstecker und Steckdosen
Prüfzeichen CSA_Certification_Body Ausgelegt gemäss CSA C22.2 no. 60320-1 Allgemeine Anwendung, Befestigungsstecker und ähnliche Verdrahtungsanschlüsse


Anwendungsnormen

Anwendungsnormen, in welchen die Produkte entsprechend verwendet werden können

Organisation Design Norm Beschreibung
Prüfzeichen IEC_Certification_Body Geeignet für Anwendungen gemäss IEC/UL 62368-1 Einrichtungen für Audio/Video-, Informations- und Kommunikationstechnik - Teil 1: Sicherheitsanforderungen


Konformitäten

Das Produkt ist konform mit folgenden Richtlinien

Identifikation Details Aussteller Beschreibung
Prüfzeichen CE SCHURTER AG Die CE-Kennzeichnung erklärt, dass das Produkt gemäss der EU-Vordnung 765/2008 den geltenden Anforderungen genügt, die in den Harmonisierungsrechtsvorschriften der Gemeinschaft über ihre Anbringung festgelegt sind.
Prüfzeichen Zulassung_Symbol_UKCA SCHURTER AG Die UKCA-Kennzeichnung erklärt, dass das Produkt gemäss dem Britischen Amendment zur Verordnung (EC) 765/2008 den geltenden Anforderungen genügt.
Umwelt_Sicherheit RoHS_Logo_color_CMYK_tif SCHURTER AG Richtlinie RoHS 2011/65/EU, Ergänzung (EU) 2015/863
Umwelt_Sicherheit China_RoHS_e_konform_eps SCHURTER AG Das Gesetz SJ/T 11363-2006 (China RoHS) ist seit dem 1. März 2007 in Kraft. Ähnlich wie bei der EU-Richtlinie RoHS.
Umwelt_Sicherheit REACH SCHURTER AG Am 1. Juni 2007 trat die Verordnung (EG) Nr. 1907/2006 zur Registrierung, Bewertung, Zulassung und Beschränkung chemischer Stoffe 1 (kurz: "REACH") in Kraft.

Abmessungen [mm]

Stripbloc 4740.3X00

1) Version mit Stecker und Kabel siehe Varianten
Montagelöcher für 3 mm Schraube
Stripbloc 4740.4X00

1) Version mit Stecker und Kabel siehe Varianten
Montagelöcher für 3 mm Schrauben
Stripbloc 4740.6X00

1) Version mit Stecker und Kabel siehe Varianten
Montagelöcher für 3 mm Schrauben
Verriegelungsvorgang:
entriegelt (offen) beim Einstecken des Steckers
Verriegelungsvorgang:
verriegelt (geschlossen), nach dem Entfernen des Steckers

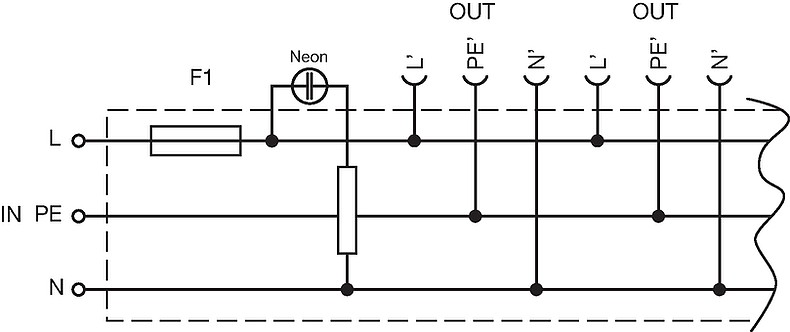
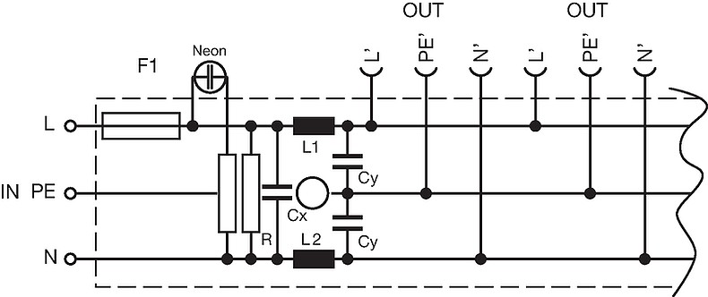
Schaltbilder

Verteilleiste mit 6 Gerätesteckdosen

Verteilleiste mit 5 Gerätesteckdosen, Sicherungshalter und Anzeigelampe

Verteilleiste mit 5 Gerätesteckdosen und Wippenschalter beleuchtet

Verteilleiste mit 5 Gerätesteckdosen, Sicherungshalter, Anzeigelampe und Filter


Derating Kurven

zulässige Leistungsaufnahme in Watt
Umgebungstemperatur Tu °C


Einfügungsdämpfungen


Kurze Variantentabelle 4740 Öffne vollständige Tabelle 4740

Gerätesteckdose Sicherungshalter Netzschalter Bestell-Nummer Symbole, PCB-Layout, 3D-Modelle Kostenloses Muster

Kostenloses Muster


Gerne stellen wir Muster für Anwendungsprüfung unkompliziert zur Verfügung.
Senden Sie uns dazu Ihre Lieferadresse mit der spezifischen Anfrage zu.

Bestandsabfrage Distributor

Bestandsabfrage Distributor


Der nachfolgende Link verweist auf die Abfrage zum aktuellen Lagebestand bei den verschiedenen Distributoren für die referenzierte Bestellnummer. Damit können Sie die verfügbare Menge prüfen und gegebenfalls gleich eine Bestellung tätigen.
Die Lagerverfügbarkeit bei den Distributoren können Sie auch separat aufrufen und das gewünschte Produkt manuell eingeben.
Lagerbestand Distributor

...
 
6 - - 4740.4000 ...
6 - - 4740.4300 ...
6 - - 4740.4600 ...
5 - 2-polig 4740.6000 ...
5 - 2-polig 4740.6300 ...
5 - 2-polig 4740.6600 ...
5 1-polig - 4740.3000 ...
5 1-polig - 4740.3300 ...
5 1-polig - 4740.3800 ...
5 1-polig - 4740.3600 ...
5 1-polig - 4740.3100 ...
4 1-polig 2-polig 4740.7000 ...

- 4740.3100 ist mit Netzfilter 6A

- Eingesetzte Sicherung: SP 5 x 20; 10 A / 250VAC, flink F, Artikel 0001.1014

- Eingesetzte Sicherung für Filtertyp: SP 5 x 20; 6.3 A / 250VAC, flink F, Artikel 0001.1012

- Netzstecker gemäss länderspezifischen Anforderungen

Verpackungseinheit 10 ST 

020070600000002240
LOADING...
Passende Stecker (5)

[Swipe to the left and right for more options]

4732

4732, Montage: Anschlussleitung, Geräteanschlussstecker: IEC E, Kabel

4735

4735, Montage: Anschlussleitung, Geräteanschlussstecker: IEC E, Kabel

9009

9009, Montage: Geräteanschlussstecker: IEC E, Schraubklemmen

4733

4733, Montage: Anschlussleitung, Geräteanschlussstecker: IEC E, Kabel

4736

4736, Montage: Anschlussleitung, Geräteanschlussstecker: IEC E, Kabel

Passende Stecker/Dosen (15)

[Swipe to the left and right for more options]

4787

4787, Montage: Schraubbefestigung, Geräteeinbausteckdose: IEC Lötanschlüsse, 10 A, Geeignet für Geräte der Schutzklasse I

4788

4788, Montage: Schnappbefestigung, Geräteeinbausteckdose: IEC Löt / Steck, 10 A, Geeignet für Geräte der Schutzklasse I

5091

IEC Geräteeinbausteckdose F oder H, Schraubmontage, frontseitig, Löt-, PCB- oder Steckanschluss

4782

4782 Montage: Anschlussleitung, 3 x 1 mm² / 3 x 18 AWG, Kabel, Gerätesteckdose: IEC C13

4785

4785 Montage: Anschlussleitung, 3 x 1 mm² / 3 x 18 AWG, Kabel, Gerätesteckdose: IEC C13

4300-06

4300-06 Montage: Anschlussleitung, 3 x 1 mm² / 3 x 18 AWG, Kabel, Gerätesteckdose: IEC C13

6004.0215

Kabelverbindung 10 A, Eurostecker, 2.5 m, Gerätesteckdose IEC C13, H05VV-F3G1.0, schwarz

6003.0215

Kabelverbindung 10 A, Eurostecker, 2.5 m, Gerätesteckdose IEC C13, H05VV-F3G1.0, schwarz

6000.0224

Kabelverbindung 10 A, abisolierte Kabelenden, 2.0 m, Gerätesteckdose IEC C13, H05VV-F3G1.0, schwarz

6000.0214

Kabelverbindung 10 A, abisolierte Kabelenden, 2.0 m, Gerätesteckdose IEC C13, H05VV-F3G1.0, schwarz

6044.0215

Kabelverbindung 10 A, Vereinigtes Königreich, 2.5 m, Gerätesteckdose IEC C13, H05VV-F3G1.0, schwarz

6044.0204

Kabelverbindung 10 A, Vereinigtes Königreich, 2.0 m, Gerätesteckdose IEC H05VV-F3G1.0, schwarz

6007.0204

Kabelverbindung 10 A, Weiterverbindung, 2.0 m, IEC H05VV-F3G1.0, schwarz

6007.0212

Kabelverbindung 10 A, Weiterverbindung, 1.0 m, Gerätesteckdose IEC C13, H05VV-F3G1.0, schwarz

6007.0214

Kabelverbindung 10 A, Weiterverbindung, 2.0 m, Gerätesteckdose IEC C13, H05VV-F3G1.0, schwarz


01.09.2025
   
de prod Durch die Änderung der Katalogversion (Desktop<> Mobile), werden die gewählten Filter im Katalog zurückgesetzt