PFMF  Surface Mount Fuse, PTC, 1812 footprint, 4.6 x 3.2 mm, 60 VDC

Series

PFMF

Surface Mount Fuse, PTC, 1812 footprint, 4.6 x 3.2 mm, 60 VDC

Free Sample Request

12 Variants


Description

  • 100% compatible with the PFMD type Directly solderable on printed circuit boards

Applications

  • Hard disk drives
  • PC motherboards
  • PC peripherals
  • PCMCIA cards
  • USB port protection

V max

6.0 - 60.0 VDC

Imax

10 - 100 A

I hold

0.1 - 2.6 A

Attachment

PCB,SMT

Allowable Operation Temperature

-40 °C to 85 °C

Material: Terminals

Electroless Nickel under Immerion Gold

Weight

0.025 g

Storage Conditions

0 °C to 40 °C, max. 70% r.h.

Product Marking

I hold, Data Code

Soldering Methods

Reflow
Soldering Profile

Solderability

245 °C / 3 sec

Resistance to Soldering Heat

260 °C / 10 sec

Moisture Sensitivity Level

MSL 1, J-STD-020 

Passing Aging

+85 °C, 1000 Hours -> +/- 5% Typical Resistance Change

Humidity Aging

+85 °C, 85% r.h., 1000 Hours -> +/- 5% Typical Resistance Change

Thermal Shock

+85 °C to -40 °C, 20 Times -> +/- 10% Typical Resistance Change

Vibration

MIL-STD-883C, Method 2007.1, Test Condition A

Resistance to Solvents

MIL-STD-202, Method 215

Detailed information on product approvals, code requirements, usage instructions and detailed test conditions can be looked up in  Details about Approvals
SCHURTER products are designed for use in industrial environments. They have approvals from independent testing bodies according to national and international standards. Products with specific characteristics and requirements such as required in the automotive sector according to IATF 16949, medical technology according to ISO 13485 or in the aerospace industry can be offered exclusively with customer-specific, individual agreements by SCHURTER.


Approvals

The approval mark is used by the testing authorities to certify compliance with the safety requirements placed on electronic products.


Approval Reference Type: PFMF

Approval Logo Certificates Certification Body Description
Approval marks TUeV TUEV Technischer Überwachungsverein
Approval marks cURus UL UR File Number: E174545


Product standards

Product standards that are referenced

Organization Design Standard Description
Approval marks IEC_Certification_Body Designed according to 62319-1-1 Polymeric thermistors. Part 1-1: Current limiting application
Approval marks IEC_Certification_Body Designed according to IEC 62319-1-1 Miniature fuses. Part 2. Cartridge fuse links
Approval marks UL Designed according to UL 1434 Thermistor-type devices
Approval marks CSA_Certification_Body Designed according to CSA 22.2 No. 0 TIL No. CA-3A General requirements - Canadian electrical code, part II


Application standards

Application standards where the product can be used

Organization Design Standard Description
Approval marks IEC_Certification_Body Suitable for applications acc. IEC/UL 62368-1 Audio/video, information and communication technology equipment - Part 1: Safety requirements


Compliances

The product complies with following Guide Lines

Identification Details Initiator Description
Approval marks CE SCHURTER AG The CE marking declares that the product complies with the applicable requirements laid down in the harmonisation of Community legislation on its affixing in accordance with EU Regulation 765/2008.
Approval marks Zulassung_Symbol_UKCA SCHURTER AG The UKCA marking declares that the product complies with the applicable requirements laid down in the British Amendment of Regulation (EC) 765/2008.
Environment_Safety RoHS_Logo_color_CMYK_tif SCHURTER AG Directive RoHS 2011/65/EU, Amendment (EU) 2015/863
Environment_Safety China_RoHS_e_konform_eps SCHURTER AG The law SJ / T 11363-2006 (China RoHS) has been in force since 1 March 2007. It is similar to the EU directive RoHS.
Environment_Safety REACH SCHURTER AG On 1 June 2007, Regulation (EC) No 1907/2006 on the Registration, Evaluation, Authorization and Restriction of Chemicals 1 (abbreviated as "REACH") entered into force.

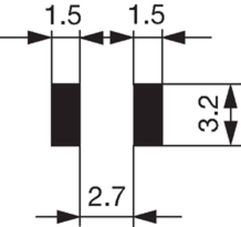
Dimension [mm]

Soldering pads
Part marking


Time-Current-Curves

Time to Trip in Seconds
Fault Current in Amperes


Dimensions PFMF Open complete table PFMF

A min [mm] A max [mm] B min [mm] Order Number Symbols, Footprints, 3D-Models Free Sample

Free Sample


Please ask for free sample in order to check if the products meets your requirement for your application.
Send your delivery adress and your specific requirements.

Distributor Stock Check

Distributor Stock Check


The following links refers to the inquiry form for distributors stock information of the selected products. It allows checking for the available amount and optionally to place an order at your selected partner.
The stock availability at the distributors may also be called up separately and the desired product manually entered.
Stock Check Distributor

...
 
4.37 4.73 3.07 PFMF.010.2 ...
4.37 4.73 3.07 PFMF.014.2 ...
4.37 4.73 3.07 PFMF.020.2 ...
4.37 4.73 3.07 PFMF.030.2 ...
4.37 4.73 3.07 PFMF.050.2 ...
4.37 4.73 3.07 PFMF.075.2 ...
4.37 4.73 3.07 PFMF.075.24.2 ...
4.37 4.83 3.07 PFMF.110.2 ...
4.37 4.73 3.07 PFMF.110.16.2 ...
4.37 4.83 3.07 PFMF.150.2 ...
4.37 4.83 3.07 PFMF.200.2 ...
4.37 4.73 3.07 PFMF.260.2 ...

Packaging Unit
acc. IEC 60286-3 Type 2a
PFMF.010.2 - PFMF.030.2 1500 pcs. in tape [W: 12mm and P1: 8mm] on reel [A: 18cm]
PFMF.050.2 + PFMF.260.2 2000 pcs. in tape [W: 12mm and P1: 8mm] on reel [A: 18cm]

Thermal Derating Chart Ihold [A] PFMF Open complete table PFMF

Order Number -40 °C -20 °C Order Number Symbols, Footprints, 3D-Models Free Sample

Free Sample


Please ask for free sample in order to check if the products meets your requirement for your application.
Send your delivery adress and your specific requirements.

Distributor Stock Check

Distributor Stock Check


The following links refers to the inquiry form for distributors stock information of the selected products. It allows checking for the available amount and optionally to place an order at your selected partner.
The stock availability at the distributors may also be called up separately and the desired product manually entered.
Stock Check Distributor

...
 
PFMF.010.2 0.16 0.14 PFMF.010.2 ...
PFMF.014.2 0.23 0.2 PFMF.014.2 ...
PFMF.020.2 0.3 0.27 PFMF.020.2 ...
PFMF.030.2 0.46 0.4 PFMF.030.2 ...
PFMF.050.2 0.77 0.68 PFMF.050.2 ...
PFMF.075.2 1.15 1.01 PFMF.075.2 ...
PFMF.075.24.2 1.15 1.01 PFMF.075.24.2 ...
PFMF.110.2 1.59 1.43 PFMF.110.2 ...
PFMF.110.16.2 1.59 1.43 PFMF.110.16.2 ...
PFMF.150.2 2.17 1.95 PFMF.150.2 ...
PFMF.200.2 3.08 2.71 PFMF.200.2 ...
PFMF.260.2 3.4 3.16 PFMF.260.2 ...

Packaging Unit
acc. IEC 60286-3 Type 2a
PFMF.010.2 - PFMF.030.2 1500 pcs. in tape [W: 12mm and P1: 8mm] on reel [A: 18cm]
PFMF.050.2 + PFMF.260.2 2000 pcs. in tape [W: 12mm and P1: 8mm] on reel [A: 18cm]

Electrical Characteristics at 23 °C PFMF Open complete table PFMF

V max [VDC] I max [A] I hold [A] Order Number Symbols, Footprints, 3D-Models Free Sample

Free Sample


Please ask for free sample in order to check if the products meets your requirement for your application.
Send your delivery adress and your specific requirements.

Distributor Stock Check

Distributor Stock Check


The following links refers to the inquiry form for distributors stock information of the selected products. It allows checking for the available amount and optionally to place an order at your selected partner.
The stock availability at the distributors may also be called up separately and the desired product manually entered.
Stock Check Distributor

...
 
60.0 40 0.1 PFMF.010.2 ...
60.0 40 0.14 PFMF.014.2 ...
30.0 80 0.2 PFMF.020.2 ...
30.0 10 0.3 PFMF.030.2 ...
15 100 0.5 PFMF.050.2 ...
13.2 100 0.75 PFMF.075.2 ...
24.0 40 0.75 PFMF.075.24.2 ...
6.0 100 1.1 PFMF.110.2 ...
16.0 100 1.1 PFMF.110.16.2 ...
6.0 100 1.5 PFMF.150.2 ...
8.0 40 2 PFMF.200.2 ...
6.0 100 2.6 PFMF.260.2 ...

Packaging Unit
acc. IEC 60286-3 Type 2a
PFMF.010.2 - PFMF.030.2 1500 pcs. in tape [W: 12mm and P1: 8mm] on reel [A: 18cm]
PFMF.050.2 + PFMF.260.2 2000 pcs. in tape [W: 12mm and P1: 8mm] on reel [A: 18cm]

010010260000000146
LOADING...

01.09.2025
   
en prod By changing the catalog version (Desktop <> Mobile), the system is resetting the chosen filters