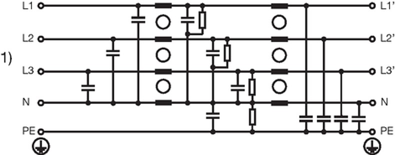
FMBD EP  2-stage filter for 3-phase systems
FMBD EP  2-stage filter for 3-phase systems
FMBD EP  2-stage filter for 3-phase systems
FMBD EP  2-stage filter for 3-phase systems
FMBD EP  2-stage filter for 3-phase systems
FMBD EP  2-stage filter for 3-phase systems

Series

FMBD EP

2-stage filter for 3-phase systems

New_Logo Free Sample Request

56 Variants


Description

  • Terminals for three phases, neutral conductor and ground
  • 2 stage
  • Very high attenuation
  • Industrial or low leakage current versions

Unique Selling Proposition

  • Compact design with small footprint
  • Double-stage filter for high attenuation
  • Light weight design
  • Wide temperature range

Applications

  • Voltage rating 520 or 760 VAC for various applications
  • Protection against interference voltage from the mains
  • Especially designed for industrial applications such as: Frequency Converters, Stepper Motor Drives, UPS-Systems, Inverters
  • Variants Machine Safety suitable for machine applications according to IEC 60204-1
  • Suitable for use in equipment according to IEC/UL 62368-1

Rated Current

Rated Current


The electrical characteristics describe the approved operating values for the state of rated current and rated voltage considering the mentioned conditions.
General information on electrical characteristics colors of fuses
Ratings IEC, UL/CSA General information on the rated current and the rated voltage at EMC products
Rated Voltage Rated current The values are different depending on the approval body and therefore are referenced in the corresponding admission cards for the respective product families. Details about the approvals and ratings are listed in the data sheets.
Search approval information for different families
Approvals

16 - 230 A

Rated voltage

Rated Current


The electrical characteristics describe the approved operating values for the state of rated current and rated voltage considering the mentioned conditions.
General information on electrical characteristics colors of fuses
Ratings IEC, UL/CSA General information on the rated current and the rated voltage at EMC products
Rated Voltage Rated current The values are different depending on the approval body and therefore are referenced in the corresponding admission cards for the respective product families. Details about the approvals and ratings are listed in the data sheets.
Search approval information for different families
Approvals

520/760 VAC, 50/60 Hz

Approval for

Approval for


Approvals indicate the conformity of the products with the national testing institution requirements by listing of the relevant approval logos.
The link leads you to the search mask where you can query for certificates of the selected products.
Approvals
Detailed information about Approvals will be documented in the general product informations.
Details about Approvals

16 - 230 A @ 40 °C / 520/760 VAC; 50/60 Hz

Overload Current

1.5 x Ir for 1 minute, per hour

Dielectric Strength

Dielectric Strength


Information about the maximum permissible voltage, to avoid a voltage breakdown due to insulation damage.
Dielectric Strength

> 520V / 2.25 kVDC between L-L
> 520V / 2.75 kVDC between L-PE

> 760V / 3.27 kVDC between L-L
> 760V / 3.20 kVDC between L-PE
Test voltage 2 sec

Number of Filter Stages

Filter Stages


Quality of a filter

2-stage

Weight

1 - 5.9 kg

Material: Housing

Metal 

Sealing Compound

UL 94V-0 

Mounting

Screw-on mounting on chassis 

Terminal

Screw clamps 

Operating Temperature

-40 °C to 100 °C

Climatic Category

Climatic Category


Disposition of components in categories for the assessment of mechanical and electrical properties.
Climatic Category

40/100/21 acc. to IEC 60068-1

Degree of Protection

IP-Protection


The IP code consists of a two-digit number, which indicates the respective degree of protection.
The first digit specifies the protection from the penetration of foreign objects, the second digit the protection from water penetration with harmful effects. Details about IP protection degree can be looked up in the general product information
IP-Protection

IP20 acc. to IEC 60529

Protection Class

Protection Class


Class I: with ground; Class II: without ground

Detailed information relating to protection class can also be found in the general product information
Protection against electric shock

Suitable for appliances with protection class I acc. to IEC 61140

MTBF

MTBF


The term MTBF is the English acronym Mean Time Between Failure and describes reliability of a component. The operating time of a system can be calculated based on thementioned value of the component. - The higher this value, the more reliable the component.
MTBF

> 200'000 h acc. to MIL-HB-217 F

Detailed information on product approvals, code requirements, usage instructions and detailed test conditions can be looked up in  Details about Approvals
SCHURTER products are designed for use in industrial environments. They have approvals from independent testing bodies according to national and international standards. Products with specific characteristics and requirements such as required in the automotive sector according to IATF 16949, medical technology according to ISO 13485 or in the aerospace industry can be offered exclusively with customer-specific, individual agreements by SCHURTER.


Approvals

The approval mark is used by the testing authorities to certify compliance with the safety requirements placed on electronic products.


Approval Reference Type: FMBD

Approval Logo Certificates Certification Body Description
Approval marks ENEC_10 VDE Certificate Number: 40053230
Approval marks cURus UL UR File Number: E495089


Product standards

Product standards that are referenced

Organization Design Standard Description
Approval marks IEC_Certification_Body Designed according to IEC 60939 Passive filters for suppressing electromagnetic interference
Approval marks UL Designed according to UL 1283 Passive filters for suppressing electromagnetic interference


Application standards

Application standards where the product can be used

Organization Design Standard Description
Approval marks IEC_Certification_Body Suitable for applications acc. IEC/UL 62368-1 Audio/video, information and communication technology equipment - Part 1: Safety requirements


Compliances

The product complies with following Guide Lines

Identification Details Initiator Description
Approval marks CE SCHURTER AG The CE marking declares that the product complies with the applicable requirements laid down in the harmonisation of Community legislation on its affixing in accordance with EU Regulation 765/2008.
Approval marks Zulassung_Symbol_UKCA SCHURTER AG The UKCA marking declares that the product complies with the applicable requirements laid down in the British Amendment of Regulation (EC) 765/2008.
Environment_Safety RoHS_Logo_color_CMYK_tif SCHURTER AG Directive RoHS 2011/65/EU, Amendment (EU) 2015/863
Environment_Safety China_RoHS_e_konform_eps SCHURTER AG The law SJ / T 11363-2006 (China RoHS) has been in force since 1 March 2007. It is similar to the EU directive RoHS.
Environment_Safety REACH SCHURTER AG On 1 June 2007, Regulation (EC) No 1907/2006 on the Registration, Evaluation, Authorization and Restriction of Chemicals 1 (abbreviated as "REACH") entered into force.

Dimension [mm]

Case 5A-4

Case 5A-10

Case 5B-10

Case 5B-16

Case 5C-25

Case 5C-50

Case 5D-95


Diagrams

Low leakage current version

1) Line


Attenuation Loss

16 A / 520 V

25 A / 520 V

36 A / 520 V

50 A / 520 V

64 A / 520 V

80 A / 520 V

110 A / 520 V

180 A / 520 V

230 A / 520 V

16 A / 760 V

25 A / 760 V

36 A / 760 V

50 A / 760 V

64 A / 760 V

80 A / 760 V

110 A / 760 V

180 A / 760 V

230 A / 760 V

16 A / 520 V

25 A / 520 V

36 A / 520 V

50 A / 520 V

64 A / 520 V

16 A / 760 V

25 A / 760 V

36 A / 760 V

50 A / 760 V

64 A / 760 V


Short Table of Variants FMBD EP Open complete table FMBD EP

Rated Current @ Ta 40°C [A] Rated Voltage [VAC] Filter Type Order Number
Symbols, Footprints, 3D-Models Free Sample

Free Sample


Please ask for free sample in order to check if the products meets your requirement for your application.
Send your delivery adress and your specific requirements.

Distributor Stock Check

Distributor Stock Check


The following links refers to the inquiry form for distributors stock information of the selected products. It allows checking for the available amount and optionally to place an order at your selected partner.
The stock availability at the distributors may also be called up separately and the desired product manually entered.
Stock Check Distributor

...
 
16 520 Industrial version 3-128-371 ...
25 520 Industrial version 3-128-412 ...
36 520 Industrial version 3-128-413 ...
50 520 Industrial version 3-128-414 ...
64 520 Industrial version 3-128-415 ...
80 520 Industrial version 3-128-416 ...
110 520 Industrial version 3-128-417 ...
180 520 Industrial version 3-128-418 ...
230 520 Industrial version 3-128-419 ...
16 520 Low leakage current version 3-128-420 ...
25 520 Low leakage current version 3-128-421 ...
36 520 Low leakage current version 3-128-422 ...
50 520 Low leakage current version 3-128-423 ...
64 520 Low leakage current version 3-128-424 ...
16 760 Industrial version 3-128-425 ...
25 760 Industrial version 3-128-426 ...
36 760 Industrial version 3-128-427 ...
50 760 Industrial version 3-128-428 ...
64 760 Industrial version 3-128-429 ...
80 760 Industrial version 3-128-430 ...
110 760 Industrial version 3-128-431 ...
180 760 Industrial version 3-128-432 ...
230 760 Industrial version 3-128-433 ...
16 760 Low leakage current version 3-128-434 ...
25 760 Low leakage current version 3-128-435 ...
36 760 Low leakage current version 3-128-436 ...
50 760 Low leakage current version 3-128-437 ...
64 760 Low leakage current version 3-128-438 ...
16 520 Industrial version 3-138-349 ...
25 520 Industrial version 3-138-350 ...
36 520 Industrial version 3-138-351 ...
50 520 Industrial version 3-138-352 ...
64 520 Industrial version 3-138-353 ...
80 520 Industrial version 3-138-354 ...
110 520 Industrial version 3-138-355 ...
180 520 Industrial version 3-138-356 ...
230 520 Industrial version 3-138-357 ...
16 520 Low leakage current version 3-138-358 ...
25 520 Low leakage current version 3-138-359 ...
36 520 Low leakage current version 3-138-360 ...
50 520 Low leakage current version 3-138-361 ...
64 520 Low leakage current version 3-138-362 ...
16 760 Industrial version 3-138-363 ...
25 760 Industrial version 3-138-364 ...
36 760 Industrial version 3-138-365 ...
50 760 Industrial version 3-138-366 ...
64 760 Industrial version 3-138-367 ...
80 760 Industrial version 3-138-368 ...
110 760 Industrial version 3-138-369 ...
180 760 Industrial version 3-138-370 ...
230 760 Industrial version 3-138-371 ...
16 760 Low leakage current version 3-138-372 ...
25 760 Low leakage current version 3-138-373 ...
36 760 Low leakage current version 3-138-374 ...
50 760 Low leakage current version 3-138-375 ...
64 760 Low leakage current version 3-138-376 ...

1) Leakage current according IEC 60939-1

2) Maximum conductor cross section (wire gauge) to be used; a comparative table for AWG and mm² values can be found in the general product information␍https://www.schurter.com/en/FAQ#10

Packaging unit 1 Pcs 

800800010000006184
LOADING...

02.09.2025
   
en prod By changing the catalog version (Desktop <> Mobile), the system is resetting the chosen filters