Kostenloses Muster
Gerne stellen wir Muster für Anwendungsprüfung unkompliziert zur Verfügung.
		
Senden Sie uns dazu Ihre Lieferadresse mit der spezifischen Anfrage zu.
	
  
 
        Nennspannung AC
AC 240 VAC
Nennspannung DC
28 VDC
Nennstrombereich AC
0.05 - 15 A , siehe Approbationen
Bedingtes Ausschaltvermögen Inc
IEC 60934: PC1, AC 240 V: 1 kA
Schaltvermögen Icn
IEC 60934: AC 240 V : 200 A
AC/DC 28 V : 400 A
Schutzgrad
Frontseite IP40 gemäss IEC 60529
Spannungsfestigkeit
50 Hz: > 1.5 kV
Impuls 1.2/50 μs: > 2.5 kV
Isolationswiderstand
500 VDC > 100 MΩ
Typische Lebensdauer
2 x In: 5000 Schaltspiele
Minimale Lebensdauer
Rückstellender Typ 
 AC : 2 x In , cos φ 0.6 : 
 DC : 2 x In , L/R = 2 - 3 ms : 
 50 Schaltspiele
Überlast
IEC: min. 40 Auslösungen
@ 6 x In, cos φ 0.6
UL / CSA: min. 50 Auslösungen
@ 1.5 x In, cos φ 0.75
Umgebungstemperatur
-5 °C bis 60 °C
Vibrationsfestigkeit
± 1.5 mm @ 10 - 60 Hz
gemäss IEC 60068-2-6, Test Fc
10 G @ 60 - 500 Hz
gemäss IEC 60068-2-6, Test Fc
Stossfestigkeit
100 G / 6 ms
gemäss IEC 60068-2-27, Test Ea
Auslöseart
Thermisch-magnetisch
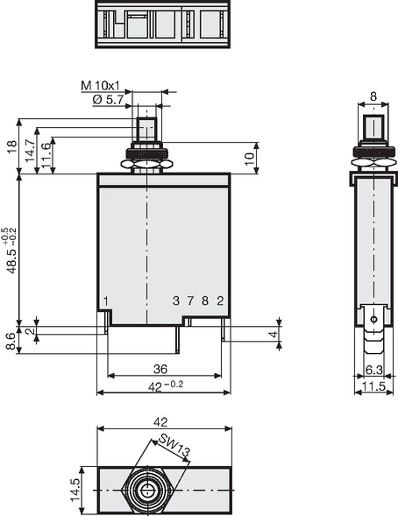
Betätigungsart
Reset Typ
Gewicht
ca. 10 g
Detaillierte Informationen zu Zulassungen, Normanforderungen, Verwendungshinweisen und Prüfdetails finden Sie in 
Details über Zulassungen
SCHURTER Produkte sind grundsätzlich für den Einsatz im industriellen Umfeld ausgelegt. Sie verfügen über Zulassungen unabhängiger Prüfstellen gemäss nationaler und internationaler Normen.
Produkte mit spezifischen Eigenschaften und Anforderungen wie sie etwa im Bereich Automotive nach IATF 16949, der Medizintechnik gemäss ISO 13485 oder in der Luft- und Raumfahrt gefordert werden, können ausschliesslich mit kundenspezifischen, individuellen Vereinbarungen durch SCHURTER angeboten werden.
Durch das Zulassungszeichen bescheinigen die Prüftstellen die Einhaltung der sicherheitstechnischen Anforderungen, die an elektronische Produkte gestellt werden.
Zulassung Referenztyp: TM12
| Zulassungslogo | Zertifikat | Zulassungsstelle | Beschreibung | 
|---|---|---|---|
|   | VDE | VDE Ausweisnummer: 99673 | |
|   | UL | UR Ausweisnummer: E71572 | |
|   | CSA | CSA Zertifizierungsdatensatz: LR 37712 | |
|   | CCC | CCC Ausweisnummer: 2024010307710410 | 
Produktnormen, welche referenziert werden
| Organisation | Design | Norm | Beschreibung | 
|---|---|---|---|
|   | Ausgelegt gemäss | IEC 60934 | Geräteschutzschalter | 
|   | Ausgelegt gemäss | UL 1077 | Standard für Zusatzschutzeinrichtungen zur Verwendung in elektrischen Betriebsmitteln | 
|   | Ausgelegt gemäss | GB 17701 | Geräteschutzschalter | 
Anwendungsnormen, in welchen die Produkte entsprechend verwendet werden können
| Organisation | Design | Norm | Beschreibung | 
|---|---|---|---|
|   | Geeignet für Anwendungen gemäss | IEC/UL 62368-1 | Einrichtungen für Audio/Video-, Informations- und Kommunikationstechnik - Teil 1: Sicherheitsanforderungen | 
Das Produkt ist konform mit folgenden Richtlinien
| Identifikation | Details | Aussteller | Beschreibung | 
|---|---|---|---|
|   | SCHURTER AG | Die CE-Kennzeichnung erklärt, dass das Produkt gemäss der EU-Vordnung 765/2008 den geltenden Anforderungen genügt, die in den Harmonisierungsrechtsvorschriften der Gemeinschaft über ihre Anbringung festgelegt sind. | |
|   | SCHURTER AG | Die UKCA-Kennzeichnung erklärt, dass das Produkt gemäss dem Britischen Amendment zur Verordnung (EC) 765/2008 den geltenden Anforderungen genügt. | |
|   | SCHURTER AG | Richtlinie RoHS 2011/65/EU, Ergänzung (EU) 2015/863 | |
|   | SCHURTER AG | Das Gesetz SJ/T 11363-2006 (China RoHS) ist seit dem 1. März 2007 in Kraft. Ähnlich wie bei der EU-Richtlinie RoHS. | |
|   | SCHURTER AG | Am 1. Juni 2007 trat die Verordnung (EG) Nr. 1907/2006 zur Registrierung, Bewertung, Zulassung und Beschränkung chemischer Stoffe 1 (kurz: "REACH") in Kraft. | 
| Approbation | Hauptstromkreis | Hilfsstromkreis | |||||
| Nennstrom | Nennspannung AC | Nennspannung DC | Nennstrom | Nennspannung AC | Nennspannung DC | ||
| CSA C22.2 No. 235 | 0.05...15 A | 240 V | 28 V | 2 A 3 A | 120 V - | - 28 V | |
| CSA C22.2 No. 235 | 0.05...16 A | 240 V | 28 V | 1 A | 240 V | - | |
| EN 60934 | 0.05...16 A | 240 V | 28 V | 1 A | 240 V | 28 V | |
| GB 17701 | 0.05...16 A | 240 V | 28 V | 1 A | 240 V | 28 V | |
| Nennstrom [A] | Innenwiderstand [Ω] | 
| 0.05 | 335.00 | 
| 0.50 | 4.37 | 
| 1.00 | 1.23 | 
| 2.00 | 0.369 | 
| 3.00 | 0.181 | 
| 4.00 | 0.097 | 
| 5.00 | 0.055 | 
| 6.00 | 0.044 | 
| 7.00 | 0.0231 | 
| 8.00 | 0.0227 | 
| 9.00 | 0.0142 | 
| 10.00 | 0.0123 | 
| 11.00 | 0.012 | 
| 12.00 | 0.012 | 
| 13.00 | 0.0108 | 
| 14.00 | 0.0091 | 
| 15.00 | 0.0089 | 
| 16.00 | 0.0071 | 
| Nennstrom [A] | Innenwiderstand [Ω] | 
| 0.05 | 260.00 | 
| 0.50 | 4.03 | 
| 1.00 | 1.006 | 
| 2.00 | 0.323 | 
| 3.00 | 0.161 | 
| 4.00 | 0.086 | 
| 5.00 | 0.0494 | 
| 6.00 | 0.0396 | 
| 7.00 | 0.0257 | 
| 8.00 | 0.0249 | 
| 9.00 | 0.0129 | 
| 10.00 | 0.0112 | 
| 11.00 | 0.0111 | 
| 12.00 | 0.0111 | 
| 13.00 | 0.0109 | 
| 14.00 | 0.0092 | 
| 15.00 | 0.0090 | 
| 16.00 | 0.0075 | 
| Umgebungstemperatur [°C] | Korrekturfaktor | 
| -5 | 0.87 | 
| 0 | 0.90 | 
| 10 | 0.95 | 
| 23 | 1.00 | 
| 30 | 1.05 | 
| 40 | 1.12 | 
| 50 | 1.20 | 
| 60 | 1.30 | 
| Magnetischer Auslösebereich | Konfigurationsschlüssel | 
|---|---|
| Träge | T | 
| Flink | F | 
| Montageart | Konfigurationsschlüssel | 
|---|---|
| Gewindehalsbefestigung mit Sechskant- und Rändelmutter | 2 | 
| Betätigungsart | Konfigurationsschlüssel | 
|---|---|
| Reset Typ | 1 | 
| Klemme | Konfigurationsschlüssel | 
|---|---|
| Steckanschlüsse 6.3x0.8mm | 1 | 
| Hilfskontakt | Konfigurationsschlüssel | 
|---|---|
| Hilfskontakt | S | 
| Nebenanschluss | Konfigurationsschlüssel | 
|---|---|
| Nebenanschluss | N | 
| Stellungsanzeige | Konfigurationsschlüssel | 
|---|---|
| Stellungsanzeige | R | 
| Nennstrom | Konfigurationsschlüssel | 
|---|---|
| 0.05 A | 0.05 | 
| 0.1 A | 0.1 | 
| 0.15 A | 0.15 | 
| 0.2 A | 0.2 | 
| 0.3 A | 0.3 | 
| 0.4 A | 0.4 | 
| 0.5 A | 0.5 | 
| 0.6 A | 0.6 | 
| 0.7 A | 0.7 | 
| 0.8 A | 0.8 | 
| 0.9 A | 0.9 | 
| 1.0 A | 1 | 
| 1.1 A | 1.1 | 
| 1.2 A | 1.2 | 
| 1.3 A | 1.3 | 
| 1.4 A | 1.4 | 
| 1.5 A | 1.5 | 
| 1.6 A | 1.6 | 
| 1.7 A | 1.7 | 
| 1.8 A | 1.8 | 
| 1.9 A | 1.9 | 
| 2.0 A | 2 | 
| 2.1 A | 2.1 | 
| 2.3 A | 2.3 | 
| 2.5 A | 2.5 | 
| 2.8 A | 2.8 | 
| 3.0 A | 3 | 
| 3.3 A | 3.3 | 
| 3.5 A | 3.5 | 
| 4.0 A | 4 | 
| 4.5 A | 4.5 | 
| 5.0 A | 5 | 
| 5.5 A | 5.5 | 
| 6.0 A | 6 | 
| 6.5 A | 6.5 | 
| 7.0 A | 7 | 
| 7.5 A | 7.5 | 
| 8.0 A | 8 | 
| 8.5 A | 8.5 | 
| 9.0 A | 9 | 
| 9.5 A | 9.5 | 
| 10.0 A | 10 | 
| 11.0 A | 11 | 
| 12.0 A | 12 | 
| 13.0 A | 13 | 
| 14.0 A | 14 | 
| 15.0 A | 15 | 
| 16.0 A | 16 | 
| Weitere Nennnströme auf Anfrage | |
| Nennstrom [A] | Bauform-Varianten | Bestellnummer | Symbole, PCB-Layout, 3D-Modelle | Kostenloses Muster Kostenloses Muster 
 | Bestandsabfrage Distributor Bestandsabfrage Distributor 
 | ... | ||
|---|---|---|---|---|---|---|---|---|
| Hilfskontakt | Nebenanschluss | Stellungsanzeige | ||||||
| 0.1 | • | 4410.0732 |  | ... | ||||
| 1.8 | 4410.0055 |  | ... | |||||
| 3 | 4410.0124 |  | ... | |||||
| 4 | • | 4410.0453 |  | ... | ||||
| 4 | • | 4410.0805 |  | ... | ||||
| 10 | 4410.0056 |  | ... | |||||
| 13 | 4410.0138 |  | ... | |||||
| 16 | 4410.0078 |  | ... | |||||
| Verpackungseinheit | 20 ST |