SWM2 (Print)  Spannungswähler, 3-stufig, Stufenschaltung, Leiterplattenmontage

Serie

SWM2 (Print)

Spannungswähler, 3-stufig, Stufenschaltung, Leiterplattenmontage

Kostenlose Musteranfrage

3 Varianten


Beschreibung

  • Spannungswähler, 3-stufig
  • Stufenschaltung
  • Leiterplattenanschlüsse

Nenndaten

IEC: 6.3 A / 250 VAC; 50 Hz 

UL: 10 A / 250 VAC; 60 Hz 

CSA: 10 A / 250 VAC; 60 Hz 

Montage

PCB

Klemme

Löt / THT 

Anzahl Stufen

Lebensdauer

300 Schaltzyklen (ohne Belastung)

Schutzgrad

Frontseite IP40

Schutzklasse

Geeignet für Geräte der Schutzklasse II gemäss IEC 61140

Zulässige Betriebstemperatur

-40 °C bis 85 °C

Klimakategorie

25/85/21 gemäss IEC 60068-1

Material: Sockel

Thermoplast, schwarz, UL 94V-0

Gewicht

6.5 g

Lötbarkeit

235 °C / 2 sec gemäss IEC 60068-2-20, Test Ta, Methode 1

Lötwärmebeständigkeit

260 °C / 5 sec gemäss IEC 60068-2-20, Test Tb, Methode 1A

Isolationswiderstand

> 10'000MΩ (500VDC; 1min) 

Durchgangswiderstand

< 10 mΩ bei 20 mV

Spannungsfestigkeit

> 2kVAC zwischen L-N
> 4kVAC zwischen L/N-PE␍(1min; 50Hz) 

Luft- und Kriechabstände

> 3mm
> 8mm zwischen L/N-PE 

Vibrationsbeständigkeit

gemäss IEC 60068-2-6,  Test Fc

Detaillierte Informationen zu Zulassungen, Normanforderungen, Verwendungshinweisen und Prüfdetails finden Sie in  Details über Zulassungen
SCHURTER Produkte sind grundsätzlich für den Einsatz im industriellen Umfeld ausgelegt. Sie verfügen über Zulassungen unabhängiger Prüfstellen gemäss nationaler und internationaler Normen.
Produkte mit spezifischen Eigenschaften und Anforderungen wie sie etwa im Bereich Automotive nach IATF 16949, der Medizintechnik gemäss ISO 13485 oder in der Luft- und Raumfahrt gefordert werden, können ausschliesslich mit kundenspezifischen, individuellen Vereinbarungen durch SCHURTER angeboten werden.


Zulassungen

Durch das Zulassungszeichen bescheinigen die Prüftstellen die Einhaltung der sicherheitstechnischen Anforderungen, die an elektronische Produkte gestellt werden.


Zulassung Referenztyp: SWM

Zulassungslogo Zertifikat Zulassungsstelle Beschreibung
Prüfzeichen ENEC_10 VDE Ausweisnummer:
Prüfzeichen cURus UL UR Ausweisnummer: E72661


Produktnormen

Produktnormen, welche referenziert werden

Organisation Design Norm Beschreibung
Prüfzeichen UL Ausgelegt gemäss UL 508 Industrielle Regeleinrichtungen
Prüfzeichen CSA_Certification_Body Ausgelegt gemäss CSA C22.2 no. 55 Industrielle Regeleinrichtungen


Anwendungsnormen

Anwendungsnormen, in welchen die Produkte entsprechend verwendet werden können

Organisation Design Norm Beschreibung
Prüfzeichen IEC_Certification_Body Geeignet für Anwendungen gemäss IEC/UL 62368-1 Einrichtungen für Audio/Video-, Informations- und Kommunikationstechnik - Teil 1: Sicherheitsanforderungen
Prüfzeichen IEC_Certification_Body Geeignet für Anwendungen gemäss IEC 60335-1 Sicherheit elektrischer Geräte für den Hausgebrauch und ähnliche Zwecke. Erfüllt die Anforderungen für Geräte in unbeaufsichtigtem Betrieb. Dies beinhaltet die verschärften Glühdrahtanforderungen nach IEC 60695-2-11 oder -12 & -13.


Konformitäten

Das Produkt ist konform mit folgenden Richtlinien

Identifikation Details Aussteller Beschreibung
Prüfzeichen CE SCHURTER AG Die CE-Kennzeichnung erklärt, dass das Produkt gemäss der EU-Vordnung 765/2008 den geltenden Anforderungen genügt, die in den Harmonisierungsrechtsvorschriften der Gemeinschaft über ihre Anbringung festgelegt sind.
Prüfzeichen Zulassung_Symbol_UKCA SCHURTER AG Die UKCA-Kennzeichnung erklärt, dass das Produkt gemäss dem Britischen Amendment zur Verordnung (EC) 765/2008 den geltenden Anforderungen genügt.
Umwelt_Sicherheit REACH SCHURTER AG Am 1. Juni 2007 trat die Verordnung (EG) Nr. 1907/2006 zur Registrierung, Bewertung, Zulassung und Beschränkung chemischer Stoffe 1 (kurz: "REACH") in Kraft.

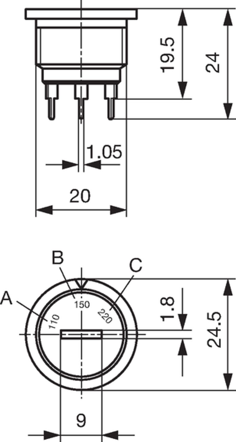
Dimension [mm]

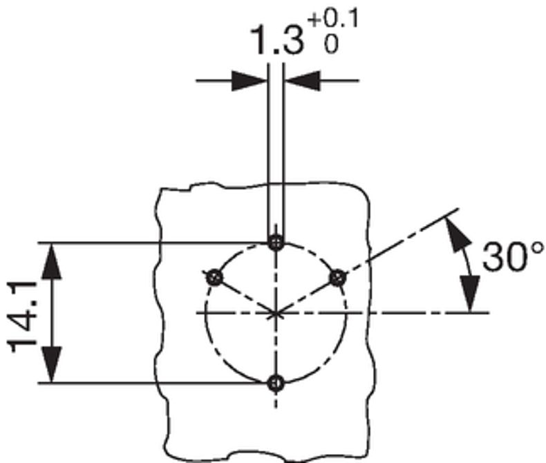
Bohrplan


Schaltbilder


Kurze Variantentabelle SWM2 (Print) Öffne vollständige Tabelle SWM2 (Print)

Beschriftungen Bestell-Nummer
Symbole, PCB-Layout, 3D-Modelle Kostenloses Muster

Kostenloses Muster


Gerne stellen wir Muster für Anwendungsprüfung unkompliziert zur Verfügung.
Senden Sie uns dazu Ihre Lieferadresse mit der spezifischen Anfrage zu.

Bestandsabfrage Distributor

Bestandsabfrage Distributor


Der nachfolgende Link verweist auf die Abfrage zum aktuellen Lagebestand bei den verschiedenen Distributoren für die referenzierte Bestellnummer. Damit können Sie die verfügbare Menge prüfen und gegebenfalls gleich eine Bestellung tätigen.
Die Lagerverfügbarkeit bei den Distributoren können Sie auch separat aufrufen und das gewünschte Produkt manuell eingeben.
Lagerbestand Distributor

...
A   B   C            
               
100 115 230 0033.4208 ...
0033.4214 ...
115 200 230 0033.4259 ...

Verpackungseinheit 50 ST 

900040100000001009
LOADING...
Alternativ: Version für die Frontplattenmontage (1)

[Swipe to the left and right for more options]


01.09.2025
   
de prod Durch die Änderung der Katalogversion (Desktop&lt;&gt; Mobile), werden die gewählten Filter im Katalog zurückgesetzt