FMBB EP  Gehäuse ME
Gehäuse ME
FMBB EP  Gehäuse MB
Gehäuse MB
FMBB EP  Gehäuse MF
Gehäuse MF
FMBB EP  AC Filter, 2-Stufig, excellente Dämpfung
FMBB EP  AC Filter, 2-Stufig, excellente Dämpfung
FMBB EP  Gehäuse ME
FMBB EP  Gehäuse MB
FMBB EP  Gehäuse MF
FMBB EP  AC Filter, 2-Stufig, excellente Dämpfung
FMBB EP  AC Filter, 2-Stufig, excellente Dämpfung

Serie

FMBB EP

AC Filter, 2-Stufig, excellente Dämpfung

New_Logo Kostenlose Musteranfrage

36 Varianten


Beschreibung

  • Netzfilter in standard und medizinal Ausführung
  • 2-stufig
  • Kompakte Bauweise
  • Sehr leicht da teilvergossen

Alleinstellungsmerkmale

  • Excellente symmetrische und asymmetrische Dämpfung
  • Sehr breitbandige Dämpfung
  • Rundum geschlossenes Stahlgehäuse
  • Grosser Temperaturbereich

Merkmale

  • Ausgelegt für Betriebsströme von 1 - 36 A
  • Schutz gegen Störspannungen aus dem Netz
    Im Gerät erzeugte Störspannungen werden stark abgeschwächt
  • Speziell für Industrieanwendungen wie: Frequenzumformer, Schrittmotor-Antriebe, USV-Anlagen, Stromrichter
  • Geeignet für den Einsatz in Geräten nach IEC/UL 62368-1
    Geeignet für den Einsatz in Medizinalgeräten nach IEC/UL 60601-1 (1 MOOP, 1 MOPP)

Nenndaten IEC

Nenndaten IEC


Die elektrischen Nenndaten beschreiben die zugelassenen Betriebswerte für den Betriebszustand für Nennstrom und Nennspannung unter genannten Umgebungsbedingungen.
Allgemeine Angaben zu elektrischen Kennwerten von Sicherungen
Nenndaten IEC, UL/CSA Allgemeine Angaben zum Nennstom und zur Nennspannung bei EMV-Produkten
Nennspannung Nennstrom Die Werte sind unterschiedlich je nach Zulassungsstelle und sind daher in den entsprechend Zulassungsausweisen für die jeweiligen Produktfamilien entsprechend referenziert. Angaben dazu werden in den Datenblättern aufgeführt.
Suche nach Approbationsangaben für unterschiedlichen Familien
Zulassungen

1 - 36 A @ Tu 40 °C / 250 VAC; 50 Hz

Nenndaten UL/CSA

Nenndaten UL


Die elektrischen Nenndaten beschreiben die zugelassenen Betriebswerte für den Betriebszustand für Nennstrom und Nennspannung unter genannten Umgebungsbedingungen.
Allgemeine Angaben zu elektrischen Kennwerten von Sicherungen
Nenndaten IEC, UL/CSA Allgemeine Angaben zum Nennstom und zur Nennspannung bei EMV-Produkten
Nennspannung Nennstrom Die Werte sind unterschiedlich je nach Zulassungsstelle und sind daher in den entsprechend Zulassungsausweisen für die jeweiligen Produktfamilien entsprechend referenziert. Angaben dazu werden in den Datenblättern aufgeführt.
Suche nach Approbationsangaben für unterschiedlichen Familien
Zulassungen

1 - 36 A @ Tu 40 °C / 125/250 VAC; 60 Hz

Ableitstrom

Ableitstrom


Der Ableitstrom ist ein elektrischer Strom der in einem unerwünschten Strompfad fliesst.
In EMV-Filtern geschieht diese durch die eingesetzten Y-Kondensatoren, welche zur Störunterdrückung eingesetzt werden. Angaben zur Höhe und zur Klassifizierung von Ableitströmen sind detailliert erklärt und werden auch in den Datenblättern aufgeführt.
Ableitstrom

standard < 6.9 mA (250 V / 50 Hz)
ableitstromarm < 0.15 mA (250 V / 50 Hz)
medizinal (M5) < 5 µA (250 V / 50 Hz)
medizinal (M80) < 80 µA (250 V / 50 Hz)

Spannungsfestigkeit

Spannungsfestigkeit


Angabe zur höchstens zulässigen Spannung, damit es nicht aufgrund einer Isolationsschädigung zu einem Spannungsdurchschlag kommt.
Spannungsfestigkeit

1.7 kVDC zwischen L-N
2.7 kVDC zwischen L/N-PE
Prüfspannung (2 sec)

Zulässige Betriebstemperatur

-40 °C bis 100 °C

Klimakategorie

Klimakategorie


Einteilung von Komponenten in Kategorien zur Beurteilung von mechanischen und elektrischen Eigenschaften.
Klimakategorie

40/100/21 gemäss IEC 60068-1

IP-Schutzgrad

IP-Schutzgrad


Der IP Code besteht aus einer zweistelligen Ziffernkombination, die den jeweiligen Schutzgrad angibt.
Dabei spezifiziert die erste Ziffer die Schutzklasse für Berührungs- und Fremdkörperschutz, die zweite Ziffer den Wasser- und Feuchtigkeitsschutz. Details zum IP-Schutzgrad entnehmen Sie bitte aus den Allgemeinen Produktinformationen
IP-Schutzgrad

Rückseite IP20 IEC 60529

Schutzklasse

Schutzklasse


Schutzklasse I: Mit Erdverbindung; Schutzklasse II: ohne Erdverbindung

Detaillierte Information zum Thema Schutzklasse finden Sie auch in den Allgemeinen Produktinformationen
Berührungsschutz

Geeignet für Geräte der Schutzklasse I gemäss IEC 61140

Klemme

Anschlüsse


Anschlüsse gemäss neuem IEC Standard.
Detailliertere Variantenangaben sind im Datenblatt oder in Allgmeinen Technischen Informationen ersichtlich.
Klemme

Steckanschluss 6.3 x 0.8 mm
Schraubanschluss M4

Material

Stahl vernickelt

Netzfilter

Filter Typ


Zur Vereinfachung erfolgt die Filterklassifikation nach Ableitstrom:
Standard: < 0.5 mA
Medizinal: < 0.1 mA
Ableitstrom

Standard- und Medizinalversion, IEC 60939, UL 60939-3, CSA C22.2 no. 8
Technische Details

MTBF

MTBF


Der Begriff MTBF steht für die englischen Abkürzung Mean Time Between Failure und beschreibt damit die mittlere Betriebsdauer zwischen Fehlern bzw. die Zuverlässigkeit eines Bauteils. Ausgehend vom genannten Wert kann die Betriebsdauer einer Baugruppe bestimmt werden. Je höher dieser Wert ist, desto zuverlässiger ist die Komponente.
MTBF

> 200'000 h gemäss MIL-HB-217 F

Detaillierte Informationen zu Zulassungen, Normanforderungen, Verwendungshinweisen und Prüfdetails finden Sie in  Details über Zulassungen
SCHURTER Produkte sind grundsätzlich für den Einsatz im industriellen Umfeld ausgelegt. Sie verfügen über Zulassungen unabhängiger Prüfstellen gemäss nationaler und internationaler Normen.
Produkte mit spezifischen Eigenschaften und Anforderungen wie sie etwa im Bereich Automotive nach IATF 16949, der Medizintechnik gemäss ISO 13485 oder in der Luft- und Raumfahrt gefordert werden, können ausschliesslich mit kundenspezifischen, individuellen Vereinbarungen durch SCHURTER angeboten werden.


Zulassungen

Durch das Zulassungszeichen bescheinigen die Prüftstellen die Einhaltung der sicherheitstechnischen Anforderungen, die an elektronische Produkte gestellt werden.


Zulassung Referenztyp: FMBB EP

Zulassungslogo Zertifikat Zulassungsstelle Beschreibung
Prüfzeichen ENEC_10 VDE Ausweisnummer: 40051449
Prüfzeichen cURus UL UR Ausweisnummer: E495089


Produktnormen

Produktnormen, welche referenziert werden

Organisation Design Norm Beschreibung
Prüfzeichen IEC_Certification_Body Ausgelegt gemäss IEC 60939 Passive Filter für die Unterdrückung von elektromagnetischen Störungen
Prüfzeichen IEC_Certification_Body Ausgelegt gemäss IEC 60127-6 Geräteschutzsicherungen - Teil 6: G-Sicherungshalter für G-Sicherungseinsätze
Prüfzeichen UL Ausgelegt gemäss UL 60939-3 Passive Filter für die Unterdrückung von elektromagnetischen Störungen
Prüfzeichen CSA_Certification_Body Ausgelegt gemäss CSA C22.2 no. 42 Allgemeine Anwendung, Befestigungsstecker und ähnliche Verdrahtungsanschlüsse
Prüfzeichen CSA_Certification_Body Ausgelegt gemäss CSA C22.2 no. 8 Filter gegen elektromagnetische Störungen (EMI)


Anwendungsnormen

Anwendungsnormen, in welchen die Produkte entsprechend verwendet werden können

Organisation Design Norm Beschreibung
Prüfzeichen IEC_Certification_Body Geeignet für Anwendungen gemäss IEC/UL 62368-1 Einrichtungen für Audio/Video-, Informations- und Kommunikationstechnik - Teil 1: Sicherheitsanforderungen
Prüfzeichen IEC_Certification_Body Geeignet für Anwendungen gemäss IEC 60601-1 Medizinische elektrische Geräte - Teil 1: Allgemeine Anforderungen an die grundlegende Sicherheit und die Leistungsfähigkeit


Konformitäten

Das Produkt ist konform mit folgenden Richtlinien

Identifikation Details Aussteller Beschreibung
Prüfzeichen CE SCHURTER AG Die CE-Kennzeichnung erklärt, dass das Produkt gemäss der EU-Vordnung 765/2008 den geltenden Anforderungen genügt, die in den Harmonisierungsrechtsvorschriften der Gemeinschaft über ihre Anbringung festgelegt sind.
Prüfzeichen Zulassung_Symbol_UKCA SCHURTER AG Die UKCA-Kennzeichnung erklärt, dass das Produkt gemäss dem Britischen Amendment zur Verordnung (EC) 765/2008 den geltenden Anforderungen genügt.
Umwelt_Sicherheit RoHS_Logo_color_CMYK_tif SCHURTER AG Richtlinie RoHS 2011/65/EU, Ergänzung (EU) 2015/863
Umwelt_Sicherheit China_RoHS_e_konform_eps SCHURTER AG Das Gesetz SJ/T 11363-2006 (China RoHS) ist seit dem 1. März 2007 in Kraft. Ähnlich wie bei der EU-Richtlinie RoHS.
Umwelt_Sicherheit REACH SCHURTER AG Am 1. Juni 2007 trat die Verordnung (EG) Nr. 1907/2006 zur Registrierung, Bewertung, Zulassung und Beschränkung chemischer Stoffe 1 (kurz: "REACH") in Kraft.
Umwelt_Sicherheit Medical SCHURTER AG Geeignet für den Einsatz in Medizinalgeräten nach IEC/UL 60601-1 (1 MOOP, 1 MOPP)

Dimension [mm]

Gehäuse 09 mit Steckanschlüssen

1) Netz
2) Last
Gehäuse MB mit Schraubanschlüssen M4

1) Netz
2) Last
3) Anziehdrehmoment 0.8...1 Nm, Kontermutter festhalten
4) Kontermutter nicht lösen
5) PE; M4x16; 1.2...1.5 Nm, Kontermutter festhalten
Gehäuse MC mit Steckanschlüssen

1) Netz
2) Last
Gehäuse UB mit Steckanschlüssen

1) Netz
2) Last
Gehäuse ME mit Steckanschlüssen

1) Netz
2) Last
Gehäuse MF mit Schraubanschlüssen M4

1) Netz
2) Last
3) Anziehdrehmoment 0.8...1 Nm, Kontermutter festhalten
4) Kontermutter nicht lösen
5) PE; M4x16; 1.2...1.5 Nm, Kontermutter festhalten

Schaltbilder

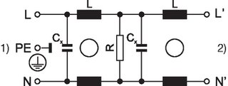
Design C, D Standard und Medizinal M80

1) Netz, 2) Last

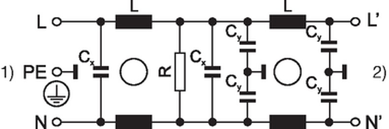
Design C, D Medizinal M5

1) Netz, 2) Last

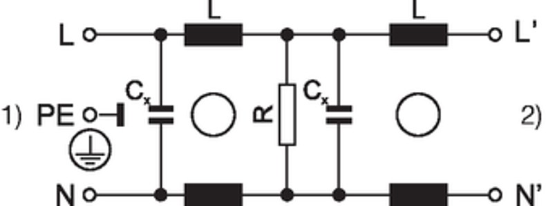
Medizinal M80

1) Netz, 2) Last


Einfügungsdämpfungen

1A

3 A

6 A

10 A

12 A

16 A

20 A

30 A

36 A

1 A

3 A

6 A

10 A

12 A

16 A

20 A

30 A

36 A

1 A

3 A

6 A

10 A

12 A

16 A

20 A

30 A

36 A

1 A

3 A

6 A

10 A

12 A

16 A

20 A

30 A

36 A


Kurze Variantentabelle FMBB EP Öffne vollständige Tabelle FMBB EP

Nennstrom Filter-Typ Klemme Bestell-Nummer
Symbole, PCB-Layout, 3D-Modelle Kostenloses Muster

Kostenloses Muster


Gerne stellen wir Muster für Anwendungsprüfung unkompliziert zur Verfügung.
Senden Sie uns dazu Ihre Lieferadresse mit der spezifischen Anfrage zu.

Bestandsabfrage Distributor

Bestandsabfrage Distributor


Der nachfolgende Link verweist auf die Abfrage zum aktuellen Lagebestand bei den verschiedenen Distributoren für die referenzierte Bestellnummer. Damit können Sie die verfügbare Menge prüfen und gegebenfalls gleich eine Bestellung tätigen.
Die Lagerverfügbarkeit bei den Distributoren können Sie auch separat aufrufen und das gewünschte Produkt manuell eingeben.
Lagerbestand Distributor

...
[A]                
 
1 Standardversion Steckanschluss 6.3 x 0.8 mm 3-123-509 ...
3 Standardversion Steckanschluss 6.3 x 0.8 mm 3-123-510 ...
6 Standardversion Steckanschluss 6.3 x 0.8 mm 3-123-511 ...
10 Standardversion Steckanschluss 6.3 x 0.8 mm 3-123-522 ...
12 Standardversion Steckanschluss 6.3 x 0.8 mm 3-123-523 ...
16 Standardversion Steckanschluss 6.3 x 0.8 mm 3-123-524 ...
20 Standardversion Steckanschluss 6.3 x 0.8 mm 3-123-525 ...
30 Standardversion Schraubanschluss M4 3-123-526 ...
36 Standardversion Schraubanschluss M4 3-123-527 ...
1 Ableitstromarme Version Steckanschluss 6.3 x 0.8 mm 3-123-537 ...
3 Ableitstromarme Version Steckanschluss 6.3 x 0.8 mm 3-123-538 ...
6 Ableitstromarme Version Steckanschluss 6.3 x 0.8 mm 3-123-539 ...
10 Ableitstromarme Version Steckanschluss 6.3 x 0.8 mm 3-123-540 ...
12 Ableitstromarme Version Steckanschluss 6.3 x 0.8 mm 3-123-541 ...
16 Ableitstromarme Version Steckanschluss 6.3 x 0.8 mm 3-123-542 ...
20 Ableitstromarme Version Steckanschluss 6.3 x 0.8 mm 3-123-543 ...
30 Ableitstromarme Version Schraubanschluss M4 3-123-544 ...
36 Ableitstromarme Version Schraubanschluss M4 3-123-545 ...
1 Medizinalversion (M5) Steckanschluss 6.3 x 0.8 mm 3-123-528 ...
3 Medizinalversion (M5) Steckanschluss 6.3 x 0.8 mm 3-123-529 ...
6 Medizinalversion (M5) Steckanschluss 6.3 x 0.8 mm 3-123-530 ...
10 Medizinalversion (M5) Steckanschluss 6.3 x 0.8 mm 3-123-531 ...
12 Medizinalversion (M5) Steckanschluss 6.3 x 0.8 mm 3-123-532 ...
16 Medizinalversion (M5) Steckanschluss 6.3 x 0.8 mm 3-123-533 ...
20 Medizinalversion (M5) Steckanschluss 6.3 x 0.8 mm 3-123-534 ...
30 Medizinalversion (M5) Schraubanschluss M4 3-123-535 ...
36 Medizinalversion (M5) Schraubanschluss M4 3-123-536 ...
1 Medizinalversion (M80) Steckanschluss 6.3 x 0.8 mm 3-142-126 ...
3 Medizinalversion (M80) Steckanschluss 6.3 x 0.8 mm 3-142-127 ...
6 Medizinalversion (M80) Steckanschluss 6.3 x 0.8 mm 3-142-128 ...
10 Medizinalversion (M80) Steckanschluss 6.3 x 0.8 mm 3-142-129 ...
12 Medizinalversion (M80) Steckanschluss 6.3 x 0.8 mm 3-142-130 ...
16 Medizinalversion (M80) Steckanschluss 6.3 x 0.8 mm 3-142-131 ...
20 Medizinalversion (M80) Steckanschluss 6.3 x 0.8 mm 3-142-132 ...
30 Medizinalversion (M80) Schraubanschluss M4 3-142-133 ...
36 Medizinalversion (M80) Schraubanschluss M4 3-142-134 ...

Ableitstrom gemäß IEC 60939-1

20A, 30A und 36A Medizinal Filter M5 und M80, sind nur geeignet für die Verwendung in Medizingeräten mit festem Anschluss ans Stromnetz.

800840020000006525
LOADING...
Alternativ: Version mit hoher Dämpfung (1)

[Swipe to the left and right for more options]

Zubehör (1)

[Swipe to the left and right for more options]

DIN Rail Kit

Montagezubehör für kompakte 1- und 3-Phasen-Filter


02.09.2025
   
de prod Durch die Änderung der Katalogversion (Desktop&lt;&gt; Mobile), werden die gewählten Filter im Katalog zurückgesetzt