5120  Schnappmontage von Frontseite
Schnappmontage
von Frontseite
5120  Frontseiten Montage mit Kunststoff-Flansch
Frontseiten Montage mit Kunststoff-Flansch
5120  Schraubmontage von Rückseite, integriertes Gewinde mit Litzenanschluss
Schraubmontage von Rückseite, integriertes Gewinde
mit Litzenanschluss
5120  Schraub-Montage
Schraub-Montage
5120  Schraubmontage von Rückseite, integriertes Gewinde Schutzklasse II
Schraubmontage von Rückseite, integriertes Gewinde
Schutzklasse II
5120  Schraub-Montage Leiterplatten Schnapp-Version
Schraub-Montage
Leiterplatten Schnapp-Version
5120  Schraubmontage von Frontseite
Schraubmontage von Frontseite
5120  Schraubmontage von Rückseite, integriertes Gewinde
Schraubmontage von Rückseite, integriertes Gewinde
5120  Schraub-Montage, front- oder rückseitig Schutzklasse II
Schraub-Montage, front- oder rückseitig
Schutzklasse II
5120  Schraubmontage Leiterplatten THT-Version
Schraubmontage
Leiterplatten THT-Version
5120  Schnappmontage von Frontseite
5120  Frontseiten Montage mit Kunststoff-Flansch
5120  Schraubmontage von Rückseite, integriertes Gewinde mit Litzenanschluss
5120  Schraub-Montage
5120  Schraubmontage von Rückseite, integriertes Gewinde Schutzklasse II
5120  Schraub-Montage Leiterplatten Schnapp-Version
5120  Schraubmontage von Frontseite
5120  Schraubmontage von Rückseite, integriertes Gewinde
5120  Schraub-Montage, front- oder rückseitig Schutzklasse II
5120  Schraubmontage Leiterplatten THT-Version

Serie

5120 PEM Netzeingangsanschluss – kompakter IEC C14- oder C18-Gerätestecker mit EMV-Filter

IEC Gerätestecker C14 oder C18 mit Filter, ECO Design, front- oder rückseitige Montage

Kostenlose Musteranfrage

98 Varianten


Gerätestecker (Stecker/Dosen)

C14
Stecker Logo
70° C
C18
Stecker Logo
70° C

Beschreibung

  • Einbau in Platten: Schraubbefestigung von Front- oder Rückseite, Schnappversion von Frontseite, PCB Version von Rückseite
  • 2 Funktionen: Gerätestecker Schutzklasse I oder II, Netzfilter in standard und medizinal Ausführung
  • Löt-/Steck-/Litzenanschluss
  • PCB
  • Erdanschluss

Alleinstellungsmerkmale

  • V-lock Auszugssicherung
  • Metallflange für optimale Abschirmung
  • Kompakte Bauweise
  • Versionen für Schutzklasse I und II

Merkmale

  • Kompaktes Filter hoher Güte
    Optimale Abschirmung durch komplett geschlossenes Filtergehäuse, unvergossen
  • Geeignet für Montage in innenseitig metallisierte Künststoffgehäuse
  • Geeignet für den Einsatz in Medizinalgeräten nach IEC/UL 60601-1 (1 MOOP, 1 MOPP)
    Für Anwendungen nach IEC/UL 62368-1 empfehlen wir Filtervarianten mit Ableitwiderstand

Weitere Ausführungen auf Anfrage

  • Schnappbefestigung für Plattendicken >2mm bis 3mm
  • Litze mit verschiedenen Längen
  • Klasse X1- und Y1-Kondensatoren für verbesserte Spannungsfestigkeit
  • Medizinalversion (M80)

Nenndaten IEC

Nenndaten IEC


Die elektrischen Nenndaten beschreiben die zugelassenen Betriebswerte für den Betriebszustand für Nennstrom und Nennspannung unter genannten Umgebungsbedingungen.
Allgemeine Angaben zu elektrischen Kennwerten von Sicherungen
Nenndaten IEC, UL/CSA Allgemeine Angaben zum Nennstom und zur Nennspannung bei EMV-Produkten
Nennspannung Nennstrom Die Werte sind unterschiedlich je nach Zulassungsstelle und sind daher in den entsprechend Zulassungsausweisen für die jeweiligen Produktfamilien entsprechend referenziert. Angaben dazu werden in den Datenblättern aufgeführt.
Suche nach Approbationsangaben für unterschiedlichen Familien
Zulassungen

1 - 10 A @ Tu 40 °C / 250 VAC; 50 Hz

Nenndaten UL/CSA

Nenndaten UL


Die elektrischen Nenndaten beschreiben die zugelassenen Betriebswerte für den Betriebszustand für Nennstrom und Nennspannung unter genannten Umgebungsbedingungen.
Allgemeine Angaben zu elektrischen Kennwerten von Sicherungen
Nenndaten IEC, UL/CSA Allgemeine Angaben zum Nennstom und zur Nennspannung bei EMV-Produkten
Nennspannung Nennstrom Die Werte sind unterschiedlich je nach Zulassungsstelle und sind daher in den entsprechend Zulassungsausweisen für die jeweiligen Produktfamilien entsprechend referenziert. Angaben dazu werden in den Datenblättern aufgeführt.
Suche nach Approbationsangaben für unterschiedlichen Familien
Zulassungen

1 - 15 A @ Tu 40 °C / 250 VAC; 60 Hz

Ableitstrom

Ableitstrom


Der Ableitstrom ist ein elektrischer Strom der in einem unerwünschten Strompfad fliesst.
In EMV-Filtern geschieht diese durch die eingesetzten Y-Kondensatoren, welche zur Störunterdrückung eingesetzt werden. Angaben zur Höhe und zur Klassifizierung von Ableitströmen sind detailliert erklärt und werden auch in den Datenblättern aufgeführt.
Ableitstrom

standard < 0.5 mA (250 V / 60 Hz)
medizinal < 5 µA (250 V / 60 Hz)

Spannungsfestigkeit

Spannungsfestigkeit


Angabe zur höchstens zulässigen Spannung, damit es nicht aufgrund einer Isolationsschädigung zu einem Spannungsdurchschlag kommt.
Spannungsfestigkeit

> 1.7 kVDC zwischen L-N
> 2.7 kVDC zwischen L/N-PE
Prüfspannung (2 sec)

Zulässige Betriebstemperatur

-25 °C bis 85 °C

Klimakategorie

Klimakategorie


Einteilung von Komponenten in Kategorien zur Beurteilung von mechanischen und elektrischen Eigenschaften.
Klimakategorie

25/085/21 gemäss IEC 60068-1

IP-Schutzgrad

IP-Schutzgrad


Der IP Code besteht aus einer zweistelligen Ziffernkombination, die den jeweiligen Schutzgrad angibt.
Dabei spezifiziert die erste Ziffer die Schutzklasse für Berührungs- und Fremdkörperschutz, die zweite Ziffer den Wasser- und Feuchtigkeitsschutz. Details zum IP-Schutzgrad entnehmen Sie bitte aus den Allgemeinen Produktinformationen
IP-Schutzgrad

Frontseite IP40 gemäss IEC 60529

Schutzklasse

Schutzklasse


Schutzklasse I: Mit Erdverbindung; Schutzklasse II: ohne Erdverbindung

Detaillierte Information zum Thema Schutzklasse finden Sie auch in den Allgemeinen Produktinformationen
Berührungsschutz

Geeignet für Geräte der Schutzklasse I oder II gemäss IEC 61140

Klemme

Anschlüsse


Anschlüsse gemäss neuem IEC Standard.
Detailliertere Variantenangaben sind im Datenblatt oder in Allgmeinen Technischen Informationen ersichtlich.
Klemme

Steckanschlüsse 6.3 x 0.8 mm
Lötanschlüsse
Litze AWG18 (15A AWG16), 150 mm

Plattendicke S

Plattendicke S


Details siehe Zeichnung
Schnapper

Schraub mit Kunststoff-Flansch: max 8 mm
Anzugsdrehmoment max 0.5 Nm
Schnapp: 0.8 mm bis 2 mm
(alle Stufen mit einer Variante)

Material

Thermoplast / Stahl verzinnt, schwarz / metallisch, UL 94V-0

Gerätestecker/-Dose

Gerätestecker/-Dose


Typ-Bezeichnung der Gerätestecker bzw. -anschlussdose nach IEC 60320-1, resp. IEC60320-2-2, UL498, CSA C22.2 no.42
Details zu Steckverbindungen und deren Bezeichnungen finden Sie in den Allgemeinen Produktinformationen
Gerätesteckvorrichtungen Mating Connectors Begriffserklärung Sondersteckvorrichtung

C14 / C18 gemäss IEC 60320-1,
UL 498, CSA C22.2 no. 42 (Für kalte Bedingungen) Stifttemperatur 70 °C, 10 A, Schutzklasse I oder II

Netzfilter

Filter Typ


Zur Vereinfachung erfolgt die Filterklassifikation nach Ableitstrom:
Standard: < 0.5 mA
Medizinal: < 0.1 mA
Ableitstrom

Standard- und Medizinalversion, IEC 60939, UL 60939-3, CSA C22.2 no. 8
Technische Details

MTBF

MTBF


Der Begriff MTBF steht für die englischen Abkürzung Mean Time Between Failure und beschreibt damit die mittlere Betriebsdauer zwischen Fehlern bzw. die Zuverlässigkeit eines Bauteils. Ausgehend vom genannten Wert kann die Betriebsdauer einer Baugruppe bestimmt werden. Je höher dieser Wert ist, desto zuverlässiger ist die Komponente.
MTBF

> 3'000'000 h gemäss MIL-HB-217 F

Detaillierte Informationen zu Zulassungen, Normanforderungen, Verwendungshinweisen und Prüfdetails finden Sie in  Details über Zulassungen
SCHURTER Produkte sind grundsätzlich für den Einsatz im industriellen Umfeld ausgelegt. Sie verfügen über Zulassungen unabhängiger Prüfstellen gemäss nationaler und internationaler Normen.
Produkte mit spezifischen Eigenschaften und Anforderungen wie sie etwa im Bereich Automotive nach IATF 16949, der Medizintechnik gemäss ISO 13485 oder in der Luft- und Raumfahrt gefordert werden, können ausschliesslich mit kundenspezifischen, individuellen Vereinbarungen durch SCHURTER angeboten werden.


Zulassungen

Durch das Zulassungszeichen bescheinigen die Prüftstellen die Einhaltung der sicherheitstechnischen Anforderungen, die an elektronische Produkte gestellt werden.


Zulassung Referenztyp: 5120

Zulassungslogo Zertifikat Zulassungsstelle Beschreibung
Prüfzeichen ENEC_10 VDE Ausweisnummer: 40016382
Prüfzeichen cURus UL UR Ausweisnummer: E495089
Prüfzeichen CQC CQC CQC Ausweisnummer: 19001218810, 22001364058


Produktnormen

Produktnormen, welche referenziert werden

Organisation Design Norm Beschreibung
Prüfzeichen IEC_Certification_Body Ausgelegt gemäss IEC 60320-1 Gerätekupplungen für Haushalt und ähnliche allgemeine Zwecke
Prüfzeichen IEC_Certification_Body Ausgelegt gemäss IEC 60939 Passive Filter für die Unterdrückung von elektromagnetischen Störungen
Prüfzeichen UL Ausgelegt gemäss UL 498 Norm für Befestigungsstecker und Steckdosen
Prüfzeichen UL Ausgelegt gemäss UL 60939-3 Passive Filter für die Unterdrückung von elektromagnetischen Störungen
Prüfzeichen CSA_Certification_Body Ausgelegt gemäss CSA C22.2 no. 42 Allgemeine Anwendung, Befestigungsstecker und ähnliche Verdrahtungsanschlüsse
Prüfzeichen CSA_Certification_Body Ausgelegt gemäss CSA C22.2 no. 8 Filter gegen elektromagnetische Störungen (EMI)


Anwendungsnormen

Anwendungsnormen, in welchen die Produkte entsprechend verwendet werden können

Organisation Design Norm Beschreibung
Prüfzeichen IEC_Certification_Body Geeignet für Anwendungen gemäss IEC/UL 62368-1 Einrichtungen für Audio/Video-, Informations- und Kommunikationstechnik - Teil 1: Sicherheitsanforderungen
Prüfzeichen IEC_Certification_Body Geeignet für Anwendungen gemäss IEC 60601-1 Medizinische elektrische Geräte - Teil 1: Allgemeine Anforderungen an die grundlegende Sicherheit und die Leistungsfähigkeit


Konformitäten

Das Produkt ist konform mit folgenden Richtlinien

Identifikation Details Aussteller Beschreibung
Prüfzeichen CE SCHURTER AG Die CE-Kennzeichnung erklärt, dass das Produkt gemäss der EU-Vordnung 765/2008 den geltenden Anforderungen genügt, die in den Harmonisierungsrechtsvorschriften der Gemeinschaft über ihre Anbringung festgelegt sind.
Prüfzeichen Zulassung_Symbol_UKCA SCHURTER AG Die UKCA-Kennzeichnung erklärt, dass das Produkt gemäss dem Britischen Amendment zur Verordnung (EC) 765/2008 den geltenden Anforderungen genügt.
Umwelt_Sicherheit RoHS_Logo_color_CMYK_tif SCHURTER AG Richtlinie RoHS 2011/65/EU, Ergänzung (EU) 2015/863
Umwelt_Sicherheit China_RoHS_e_konform_eps SCHURTER AG Das Gesetz SJ/T 11363-2006 (China RoHS) ist seit dem 1. März 2007 in Kraft. Ähnlich wie bei der EU-Richtlinie RoHS.
Umwelt_Sicherheit REACH SCHURTER AG Am 1. Juni 2007 trat die Verordnung (EG) Nr. 1907/2006 zur Registrierung, Bewertung, Zulassung und Beschränkung chemischer Stoffe 1 (kurz: "REACH") in Kraft.
Komponenten V_Lock_Logo SCHURTER AG V-Lock Auszugssicherungen basieren auf einer passenden Stecker-Dosen-Kombination. Die Produkte haben eine vorgesehene Öffnung zum Einrasten des Nockens an der Steckdose. Das V-Lock-System verhindert ein ungewolltes Trennen des Stecksystems.
Umwelt_Sicherheit Medical SCHURTER AG Geeignet für den Einsatz in Medizinalgeräten nach IEC/UL 60601-1 (1 MOOP, 1 MOPP)

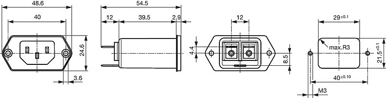
Dimension [mm]

Front- oder Rückseiten Montage für M3 Schrauben mit Mutter oder mit Blindnieten (Plattenausschnitt für Frontmontage)

Frontseiten Montage mit Kunststoff-Flansch

Rückseitige Montage mit M3 Schrauben (Plattenausschnitt für Rückseiten Montage)

Gehäusezeichnung der Schutzklasse II gilt auch für Schutzklasse I

Schnappmontage von Frontseite

Abmessungen für Schutzklasse I gelten auch für Schutzklasse II

Leiterplatten-Schnappbefestigung mit Rückseiten-Montage, Schutzklasse II

Leiterplatten-Schnappbefestigung mit Rückseiten-Montage, Schutzklasse I

Leiterplatten-Verbindung mit Rückseiten-Montage, Schutzklasse II

Leiterplatten-Verbindung mit Rückseiten-Montage, Schutzklasse I

Schraub- und Schnappmontage mit Litzen

1) Litze, Standardlänge 150 mm oder Speziallängen auf Kundenanfrage
2) Fällt weg bei Schutzklasse II
3) Plattenausschnitt Schraubversion Rückseitenmontage
4) Plattenausschnitt Schraubversion, Front- oder Rückseitenmontage
5) Plattenausschnitt, Schnapp-Version, Frontmontage

Schaltbilder

Standardversion

1) Netz
2) Last
Standardversion / Medizinalversion M80

1) Netz
2) Last
Medizinalversion (M5)

1) Netz
2) Last
Medizinalversion (M5), Schutzklasse II

1) Netz
2) Last

Daten der Filterkomponenten

Nennstrom [A] Filter-Typ Induktivitäten L [mH] Kapazität CX [nF] Kapazität CY [nF] R [MΩ]
1 Standardversion 2 x 12 100 2.2 -
2 Standardversion 2 x 5.2 100 2.2 -
4 Standardversion 2 x 2 100 2.2 -
6 Standardversion 2 x 0.8 100 2.2 -
10 Standardversion 2 x 0.4 100 2.2 -
15 Standardversion 2 x 0.1 100 2.2 -
1 Standardversion mit Ableitwiderstand 2 x 12 100 2.2 1
2 Standardversion mit Ableitwiderstand 2 x 5.2 100 2.2 1
4 Standardversion mit Ableitwiderstand 2 x 2 100 2.2 1
6 Standardversion mit Ableitwiderstand 2 x 0.8 100 2.2 1
10 Standardversion mit Ableitwiderstand 2 x 0.4 100 2.2 1
15 Standardversion mit Ableitwiderstand 2 x 0.1 100 2.2 1
1 Medizinalversion (M5) 2 x 12 100 - 1
2 Medizinalversion (M5) 2 x 5.2 100 - 1
4 Medizinalversion (M5) 2 x 2 100 - 1
6 Medizinalversion (M5) 2 x 0.8 100 - 1
10 Medizinalversion (M5) 2 x 0.4 100 - 1
15 Medizinalversion (M5) 2 x 0.1 100 - 1

Einfügungsdämpfungen

1 A

2 A

4 A

6 A

10 A

15 A

1 A

2 A

4 A

6 A

10 A

15 A


Kurze Variantentabelle 5120 Öffne vollständige Tabelle 5120

Nennstrom [A] Filter-Typ Montageart Bestell-Nummer
Symbole, PCB-Layout, 3D-Modelle Kostenloses Muster

Kostenloses Muster


Gerne stellen wir Muster für Anwendungsprüfung unkompliziert zur Verfügung.
Senden Sie uns dazu Ihre Lieferadresse mit der spezifischen Anfrage zu.

Bestandsabfrage Distributor

Bestandsabfrage Distributor


Der nachfolgende Link verweist auf die Abfrage zum aktuellen Lagebestand bei den verschiedenen Distributoren für die referenzierte Bestellnummer. Damit können Sie die verfügbare Menge prüfen und gegebenfalls gleich eine Bestellung tätigen.
Die Lagerverfügbarkeit bei den Distributoren können Sie auch separat aufrufen und das gewünschte Produkt manuell eingeben.
Lagerbestand Distributor

...
               
 
1 Standardversion Schraub/Niet 5120.0000.0 ...
1 Standardversion Schraub/Niet 5120.0010.0 ...
2 Standardversion Schraub/Niet 5120.0001.0 ...
4 Standardversion Schraub/Niet 5120.0003.0 ...
6 Standardversion Schraub/Niet 5120.0004.0 ...
10 Standardversion Schraub/Niet 5120.0006.0 ...
15 Standardversion Schraub/Niet 5120.0007.0 ...
15 Standardversion Schraub/Niet 5120.0057.0 ...
1 Standardversion Schraub/Löten und Schnapp auf PCB 5120.5070.0 ...
2 Standardversion Schraub/Löten und Schnapp auf PCB 5120.5071.0 ...
4 Standardversion Schraub/Löten und Schnapp auf PCB 5120.5073.0 ...
6 Standardversion Schraub/Löten und Schnapp auf PCB 5120.5074.0 ...
10 Standardversion Schraub/Löten und Schnapp auf PCB 5120.5076.0 ...
15 Standardversion Schraub/Löten und Schnapp auf PCB 5120.5077.0 ...
1 Standardversion Schraub/Löten auf PCB 5120.4070.0 ...
2 Standardversion Schraub/Löten auf PCB 5120.4071.0 ...
4 Standardversion Schraub/Löten auf PCB 5120.4073.0 ...
6 Standardversion Schraub/Löten auf PCB 5120.4074.0 ...
10 Standardversion Schraub/Löten auf PCB 5120.4076.0 ...
15 Standardversion Schraub/Löten auf PCB 5120.4077.0 ...
1 Standardversion Schraub mit Kunststoff-Flansch 3-101-140 ...
2 Standardversion Schraub mit Kunststoff-Flansch 3-101-141 ...
4 Standardversion Schraub mit Kunststoff-Flansch 3-101-142 ...
6 Standardversion Schraub mit Kunststoff-Flansch 3-101-143 ...
10 Standardversion Schraub mit Kunststoff-Flansch 3-100-776 ...
15 Standardversion Schraub mit Kunststoff-Flansch 3-101-144 ...
1 Standardversion Schraub 5120.1000.0 ...
2 Standardversion Schraub 5120.1001.0 ...
4 Standardversion Schraub 5120.1003.0 ...
6 Standardversion Schraub 5120.1004.0 ...
10 Standardversion Schraub 5120.1006.0 ...
10 Standardversion Schraub 5120.1046.0 ...
15 Standardversion Schraub 5120.1007.0 ...
6 Standardversion Schnapp 2 - 3 mm 5120.3034.0 ...
1 Standardversion Schnapp 5120.2000.0 ...
2 Standardversion Schnapp 5120.2001.0 ...
4 Standardversion Schnapp 5120.2003.0 ...
6 Standardversion Schnapp 5120.2004.0 ...
10 Standardversion Schnapp 5120.2006.0 ...
10 Standardversion Schnapp 5120.2046.0 ...
15 Standardversion Schnapp 5120.2007.0 ...
10 Standardversion mit Ableitwiderstand Schraub/Niet 5120.0216.0 ...
2 Standardversion mit Ableitwiderstand Schnapp 5120.2201.0 ...
4 Standardversion mit Ableitwiderstand Schnapp 5120.2203.0 ...
6 Standardversion mit Ableitwiderstand Schnapp 5120.2204.0 ...
10 Standardversion mit Ableitwiderstand Schnapp 5120.2206.0 ...
15 Standardversion mit Ableitwiderstand Schnapp 5120.2207.0 ...
1 Medizinalversion (M5) Schraub/Niet 5120.0300.0 ...
2 Medizinalversion (M5) Schraub/Niet 5120.0301.0 ...
4 Medizinalversion (M5) Schraub/Niet 5120.0303.0 ...
4 Medizinalversion (M5) Schraub/Niet 5120.0343.0 ...
6 Medizinalversion (M5) Schraub/Niet 5120.0304.0 ...
10 Medizinalversion (M5) Schraub/Niet 5120.0306.0 ...
15 Medizinalversion (M5) Schraub/Niet 5120.0307.0 ...
4 Medizinalversion (M5) Schraub/Löten und Schnapp auf PCB 5120.5373.0 ...
6 Medizinalversion (M5) Schraub/Löten und Schnapp auf PCB 5120.5374.0 ...
4 Medizinalversion (M5) Schraub/Löten auf PCB 5120.4373.0 ...
6 Medizinalversion (M5) Schraub/Löten auf PCB 5120.4374.0 ...
1 Medizinalversion (M5) Schraub mit Kunststoff-Flansch 3-101-145 ...
2 Medizinalversion (M5) Schraub mit Kunststoff-Flansch 3-101-146 ...
4 Medizinalversion (M5) Schraub mit Kunststoff-Flansch 3-100-794 ...
6 Medizinalversion (M5) Schraub mit Kunststoff-Flansch 3-101-147 ...
10 Medizinalversion (M5) Schraub mit Kunststoff-Flansch 3-101-148 ...
15 Medizinalversion (M5) Schraub mit Kunststoff-Flansch 3-101-149 ...
1 Medizinalversion (M5) Schraub 5120.1300.0 ...
2 Medizinalversion (M5) Schraub 5120.1301.0 ...
4 Medizinalversion (M5) Schraub 5120.1303.0 ...
6 Medizinalversion (M5) Schraub 5120.1304.0 ...
10 Medizinalversion (M5) Schraub 5120.1306.0 ...
10 Medizinalversion (M5) Schraub 5120.1346.0 ...
15 Medizinalversion (M5) Schraub 5120.1307.0 ...
1 Medizinalversion (M5) Schnapp 5120.2300.0 ...
2 Medizinalversion (M5) Schnapp 5120.2301.0 ...
4 Medizinalversion (M5) Schnapp 5120.2303.0 ...
6 Medizinalversion (M5) Schnapp 5120.2304.0 ...
10 Medizinalversion (M5) Schnapp 5120.2306.0 ...
15 Medizinalversion (M5) Schnapp 5120.2307.0 ...
2 Medizinalversion (M5) Schraub/Niet 5120.0301.1 ...
4 Medizinalversion (M5) Schraub/Niet 5120.0303.1 ...
6 Medizinalversion (M5) Schraub/Niet 5120.0304.1 ...
10 Medizinalversion (M5) Schraub/Niet 5120.0316.1 ...
4 Medizinalversion (M5) Schraub/Löten und Schnapp auf PCB 5120.5373.1 ...
6 Medizinalversion (M5) Schraub/Löten und Schnapp auf PCB 5120.5374.1 ...
10 Medizinalversion (M5) Schraub/Löten und Schnapp auf PCB 5120.5376.1 ...
4 Medizinalversion (M5) Schraub/Löten auf PCB 5120.4373.1 ...
6 Medizinalversion (M5) Schraub/Löten auf PCB 5120.4374.1 ...
1 Medizinalversion (M5) Schraub 5120.1300.1 ...
2 Medizinalversion (M5) Schraub 5120.1301.1 ...
2 Medizinalversion (M5) Schraub 5120.1311.1 ...
4 Medizinalversion (M5) Schraub 5120.1303.1 ...
6 Medizinalversion (M5) Schraub 5120.1304.1 ...
10 Medizinalversion (M5) Schraub 5120.1306.1 ...
1 Medizinalversion (M5) Schnapp 5120.2300.1 ...
2 Medizinalversion (M5) Schnapp 5120.2301.1 ...
4 Medizinalversion (M5) Schnapp 5120.2303.1 ...
6 Medizinalversion (M5) Schnapp 5120.2304.1 ...
10 Medizinalversion (M5) Schnapp 5120.2306.1 ...
15 Medizinalversion (M5) Schnapp 5120.2307.1 ...

- 15 A Versionen nur mit UL/CSA Approbation erhältlich

- Ausführung für Schraubmontage von Rückseite verfügt über Gewinde für M3 Schrauben

Verpackungseinheit 10 ST 

020060160000001543
LOADING...
Alternativ: Version ohne Netzfilter (4)

[Swipe to the left and right for more options]

Passende Stecker/Dosen (8)

[Swipe to the left and right for more options]

4787

4787, Montage: Schraubbefestigung, Geräteeinbausteckdose: IEC Lötanschlüsse, 10 A, Geeignet für Geräte der Schutzklasse I

4788

4788, Montage: Schnappbefestigung, Geräteeinbausteckdose: IEC Löt / Steck, 10 A, Geeignet für Geräte der Schutzklasse I

5091

IEC Geräteeinbausteckdose F oder H, Schraubmontage, frontseitig, Löt-, PCB- oder Steckanschluss

4782

4782 Montage: Anschlussleitung, 3 x 1 mm² / 3 x 18 AWG, Kabel, Gerätesteckdose: IEC C13

4785

4785 Montage: Anschlussleitung, 3 x 1 mm² / 3 x 18 AWG, Kabel, Gerätesteckdose: IEC C13

4300-06

4300-06 Montage: Anschlussleitung, 3 x 1 mm² / 3 x 18 AWG, Kabel, Gerätesteckdose: IEC C13

4781

4781 Montage: Anschlussleitung, Kabel, Gerätesteckdose: IEC C15

4784

4784 Montage: Anschlussleitung, 3 x 1 mm² / 3 x 18 AWG, Kabel, Gerätesteckdose: IEC C15

Passende Stecker/Dosen verriegelt (3)

[Swipe to the left and right for more options]

VAC13KS

VAC13KS, Übersicht, V-Lock Verriegelung, diverse Gerätesteckdose IEC C13, diverse, schwarz

VAC17KS

VAC17KS, V-Lock Verriegelung, diverse m, Gerätesteckdose IEC C17, diverse, schwarz / grau / weiss

4783

4783 Montage: Anschlussleitung, 3 x 1 mm² / 3 x 18 AWG, Kabel, Gerätesteckdose: IEC C13

Zubehör (3)

[Swipe to the left and right for more options]

Kabelkonfektionierung

Kabelbaum für SCHURTER-Produkte

RC320

Rückseitige Abdeckung für Gerätestecker

Sicherungsbügel

Auszugssicherung für Kabelstecker


02.09.2025
   
de prod Durch die Änderung der Katalogversion (Desktop&lt;&gt; Mobile), werden die gewählten Filter im Katalog zurückgesetzt